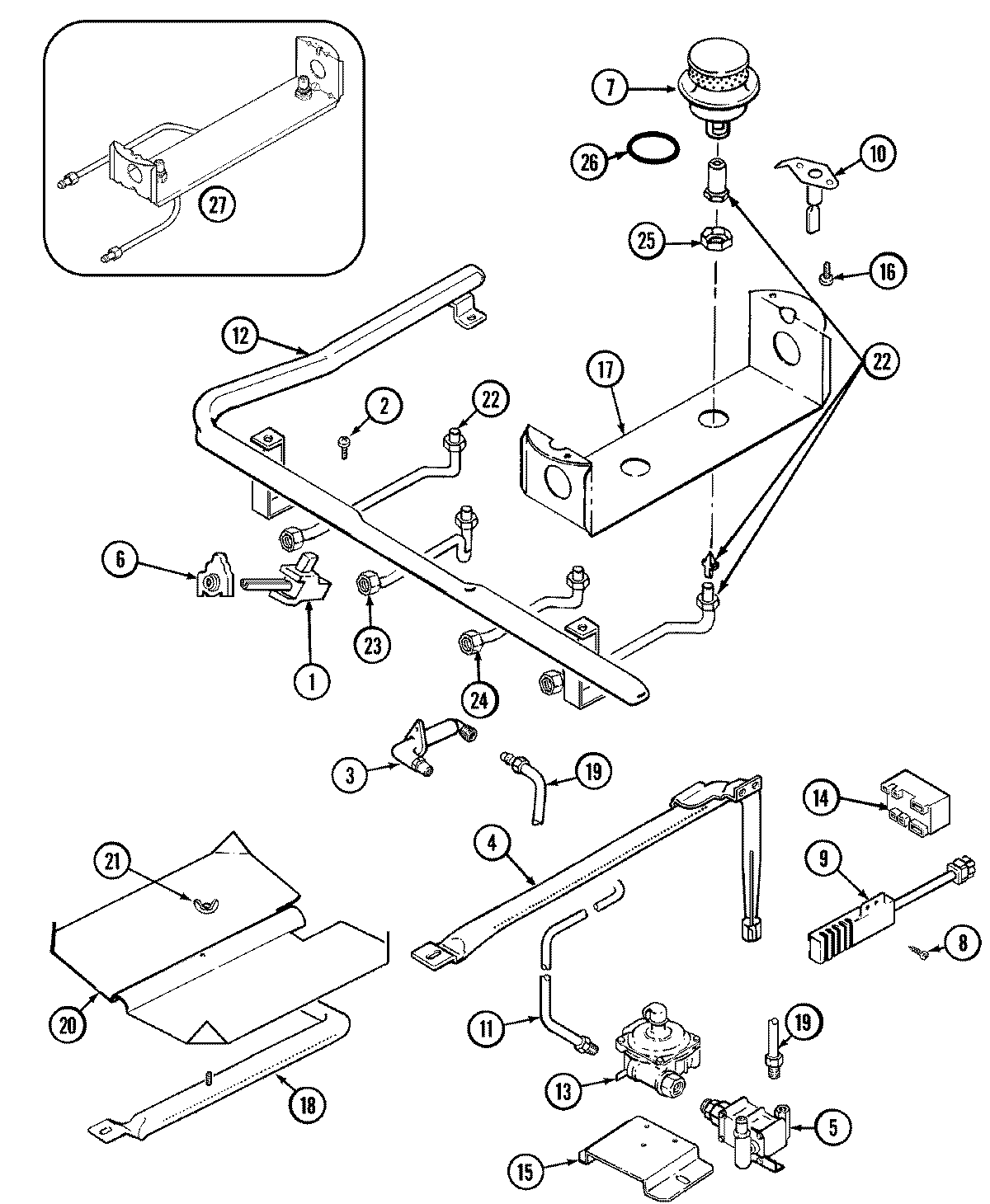
6498VTA 02 – GAS CONTROLSadmin2025-04-26T12:25:02+00:006498VTA 02 – GAS CONTROLS ProductsPositionProduct1MAY 7502P251-602MAY 7101P044-603MAY 7507P088-603MAY 3605F186-454MAY 3403D043-454MAY 3807F446-455WP74006427 Whirlpool Oven Valve6WP7403P279-60 Whirlpool Igniter Switch7MAY 3412D018-098SCREW (10-24X5/16-NI)9MAY 7432P076-6010NOT REQUIRED PART OR SEE NOTE FUSE (NOT REQUIRED)11MAY 3414F103-4412MAY 7103P130-6012MAY 7513P121-6013MAY 7510P050-6013MAY 7101P290-6014MAY 3801F270-4514MAY 7431P023-6014MAY 7431P027-6015MAY 8020P007-6016MAY 7101P315-6017MAY 3807F451-4518MAY 3403D024-4519MAY 3414F102-4420MAY 3601F217-4521NUT, WING22MAY 7507P087-6023MAY 7507P086-6024MAY 7507P089-6025MAY 7103P119-6026MAY 7201P050-6027MAY 5187D036-6027MAY 5187D037-6027MAY 5195D111-6027MAY 5140D038-6027MAY 5125A312-6027MAY 5185D274-6027MAY 3411F007-34