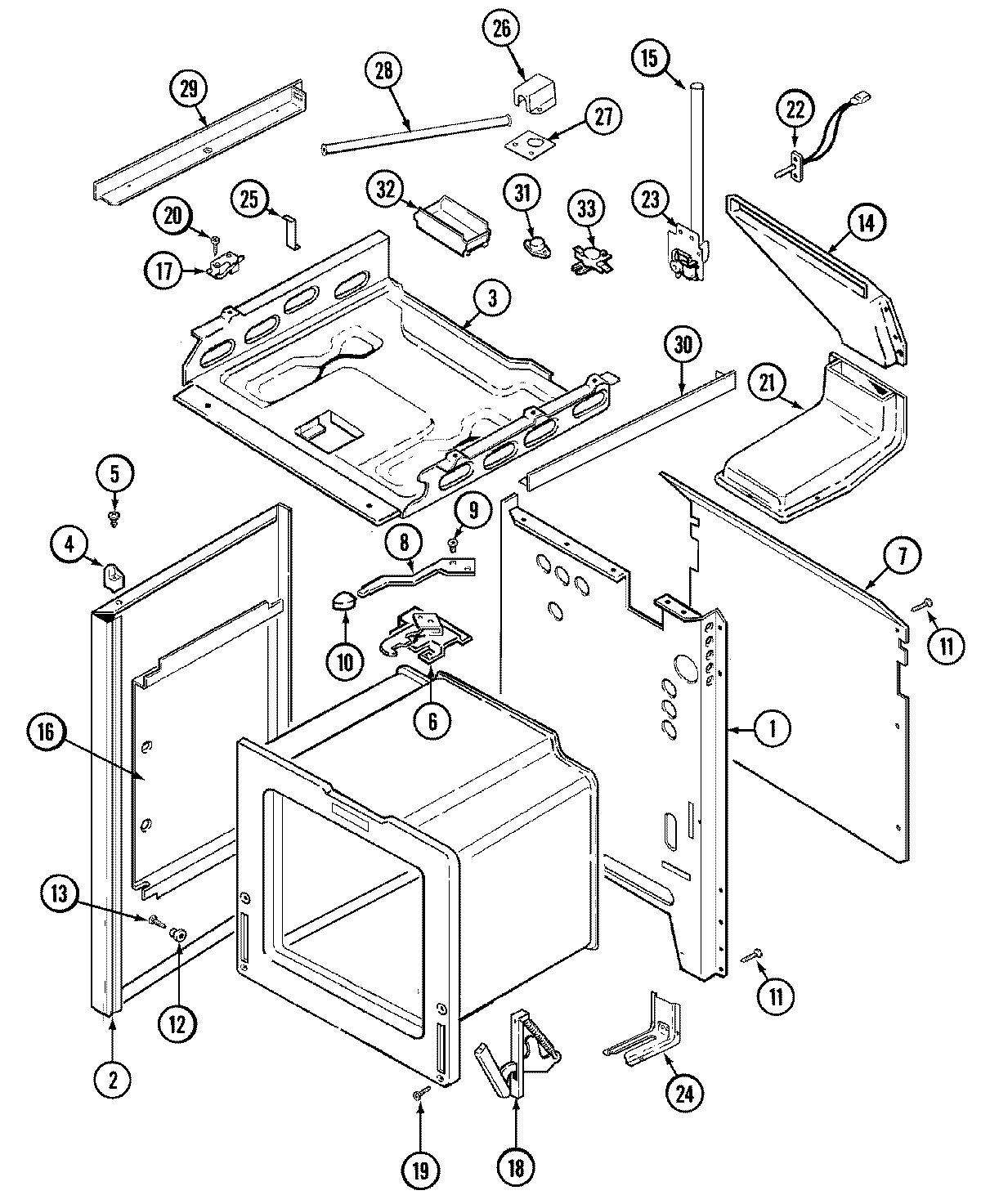
6498XRA 01 – BODYadmin2025-04-26T12:25:13+00:006498XRA 01 – BODY ProductsPositionProduct1MAY 4002F188-802MAY 2618F078-742MAY 2618F096-742MAY 2618F079-742MAY 2618F095-743MAY 4011F223-804SPACER, MAIN TOP (LT)4SPACER, MAIN TOP (RT)5MAY 7118P013-606MAY 8002P027-606MAY 4804F028-607MAY 4005F355-518MAY 8009P017-608MAY 7109P015-609SCREW, LEVER10MAY 7112P003-6010MAY 7701P132-6011MAY 7101P290-6012MAY 8004P024-6013MAY 7101P300-6014MAY 4022W004-4514MAY 7403P249-6015MAY 8026P021-6016MAY 3804F103-5117MAY 7403P228-6017MAY 3801F267-4518MAY 7106P033-6019SCREW, HINGE20MAY 7101P031-6021MAY 4006W113-4522MAY 7430P009-6023MAY 7427P013-6024MAY 3801F218-5125MAY 3801F292-5126MAY 4006F134-5127MAY 4011F156-5128MAY 7506P124-6029MAY 3604F173-5130MAY 3604F174-5131MAY 7101P076-6031MAY 7403P004-6032MAY 3807F420-5133MAY 7402P043-6033BAFFLE,VENT COVER33MAY 7403P275-60