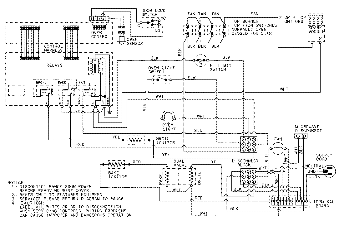
6498XVB 07 – WIRING INFORMATIONadmin2025-04-26T12:25:11+00:006498XVB 07 – WIRING INFORMATION ProductsPositionProductNIMAY 15001412