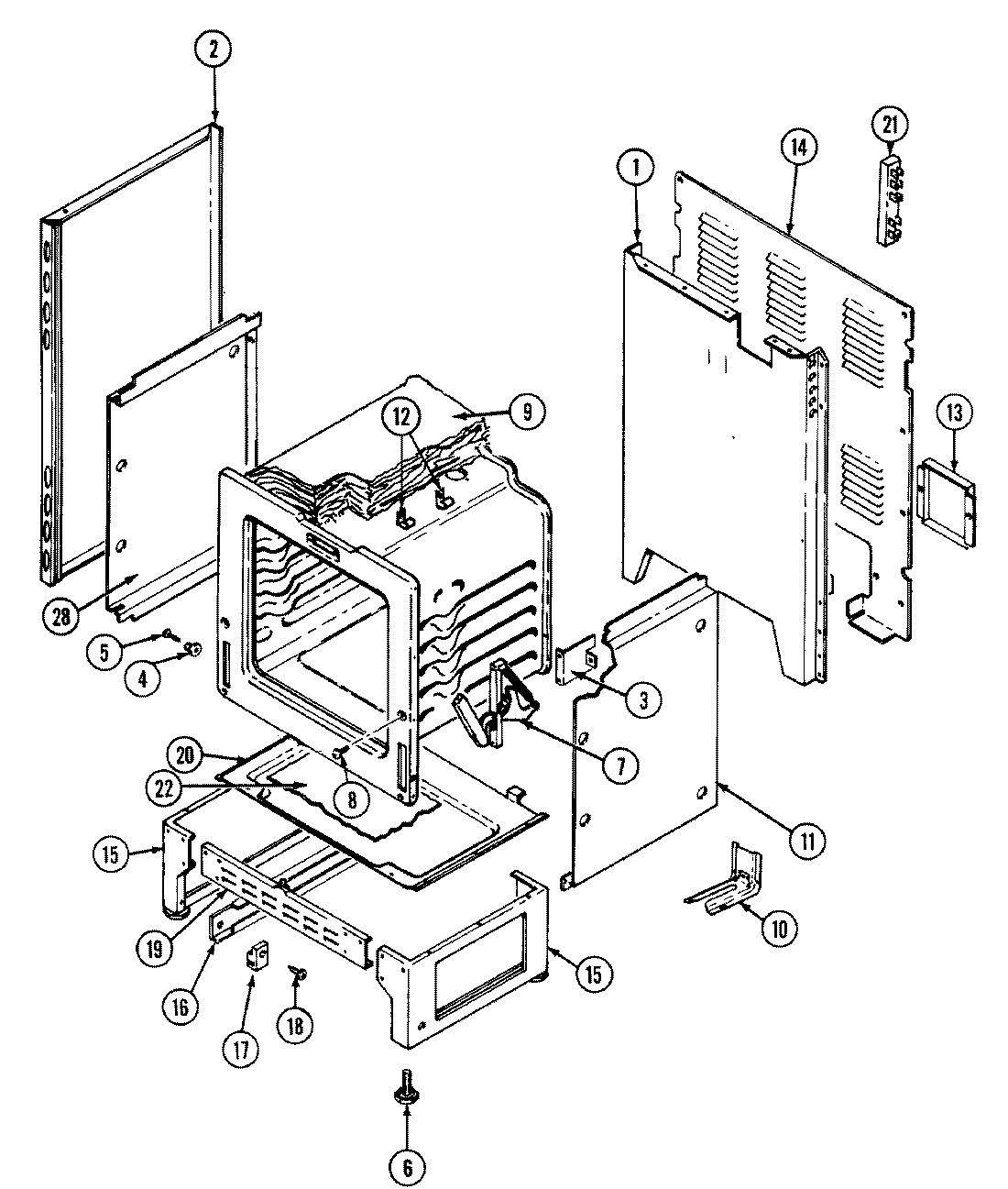
| 1 | MAY 4002F191-80 |
| 2 | MAY 2618F095-71 |
| 2 | MAY 2618F096-71 |
| 2 | MAY 2618F078-71 |
| 2 | MAY 2618F079-71 |
| 3 | SUPPORT,OVEN REAR |
| 4 | MAY 8004P024-60 |
| 5 | MAY 7101P334-60 |
| 6 | MAY 7101P316-60 |
| 6 | W11665456 Whirlpool Range Level Foot |
| 7 | MAY 7106P055-60 |
| 7 | W10876639 Whirlpool Door Hinge Assembly |
| 8 | SCREW, HINGE |
| 9 | MAY 4804F030-60 |
| 9 | MAY 4804F029-60 |
| 10 | MAY 3801F218-51 |
| 11 | MAY 3804F103-51 |
| 12 | WP7112P004-60 Whirlpool Thermal Clip |
| 13 | MAY 4005F427-51 |
| 14 | MAY 4005F356-51 |
| 15 | MAY 4020W009-80 |
| 15 | MAY 74001705 |
| 15 | MAY 4005F420-80 |
| 16 | MAY 3406F028-51 |
| 17 | MAY 74002312 |
| 17 | MAY 8004P025-60 |
| 18 | SCREW |
| 19 | MAY 4020F001-80 |
| 20 | MAY 3804F109-51 |
| 21 | WPW10245259 Whirlpool Terminal Block |
| 22 | MAY 8312P058-60 |
| 22 | MAY 8114P335-60 |