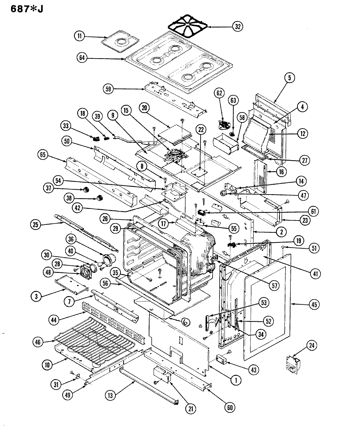
687WJ-EKZW 03 – CONTROL SYSTEMadmin2025-04-26T12:26:51+00:00687WJ-EKZW 03 – CONTROL SYSTEM ProductsPositionProduct1MAY 3601W129-132MAY 3601F099-452MAY 3801F096-453MAY 7505P101-604MAY 7505P100-605MAY 3412A004-236MAY 7504P001-606MAY 4005F174-807MAY 7507P008-608MAY 7432P008-608MAY 7507P028-609MAY 7432P015-6010MAY 7432P052-6010MAY 7711P322-6010MAY 7711P173-6010MAY 7431P006-6011NUT, WING12MAY 7513P044-6013MAY 3605F019-4514MAY 7510P004-6015MAY 7101P043-6016MAY 7403P004-6016MAY 3807F221-8017MAY 7403P041-6018MAY 7515P020-6019MAY 7506P006-6020MAY Y093610321MAY Y093610222MAY 7501P034-6023MAY 7502P002-6024MAY 7502P031-6024MAY 7502P111-60