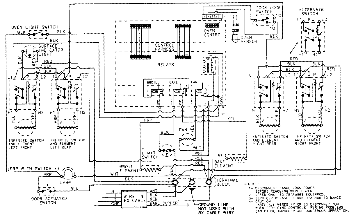
6892VVV 07 – WIRING INFORMATIONadmin2025-04-26T12:24:52+00:006892VVV 07 – WIRING INFORMATION ProductsPositionProductNIMAY 15001375