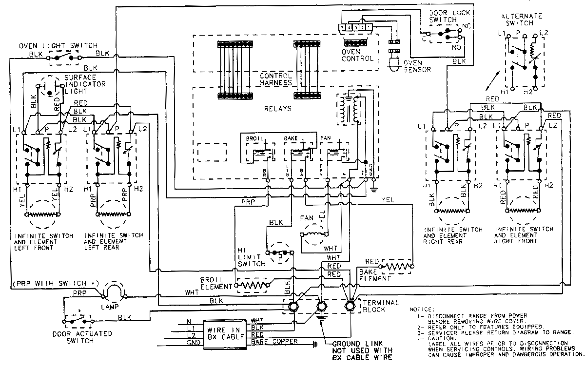
6892XVA 07 – WIRING INFORMATIONadmin2025-04-26T12:24:27+00:006892XVA 07 – WIRING INFORMATION ProductsPositionProductNIMAY 15001375