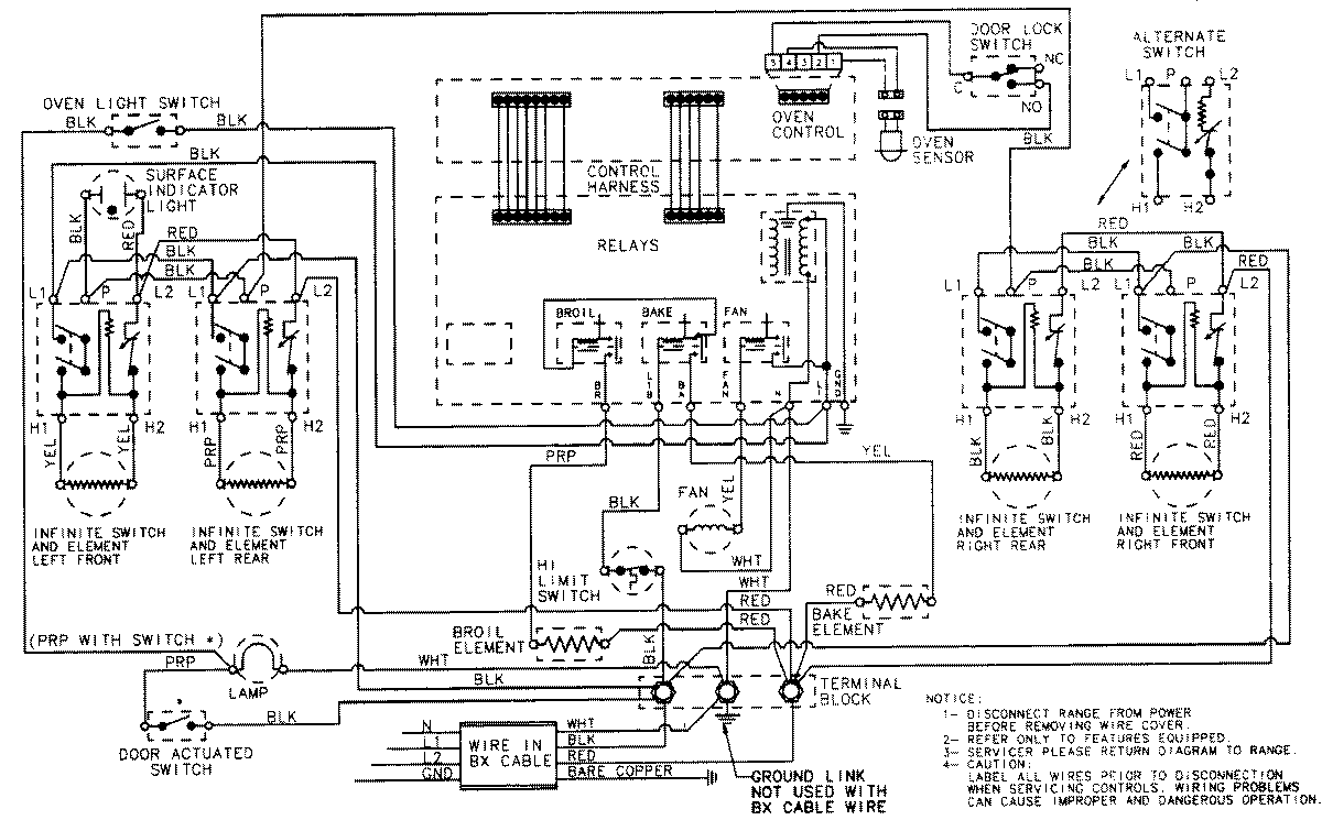
6892XVS 07 – WIRING INFORMATIONadmin2025-04-26T12:25:13+00:006892XVS 07 – WIRING INFORMATION ProductsPositionProductNIMAY 15001375