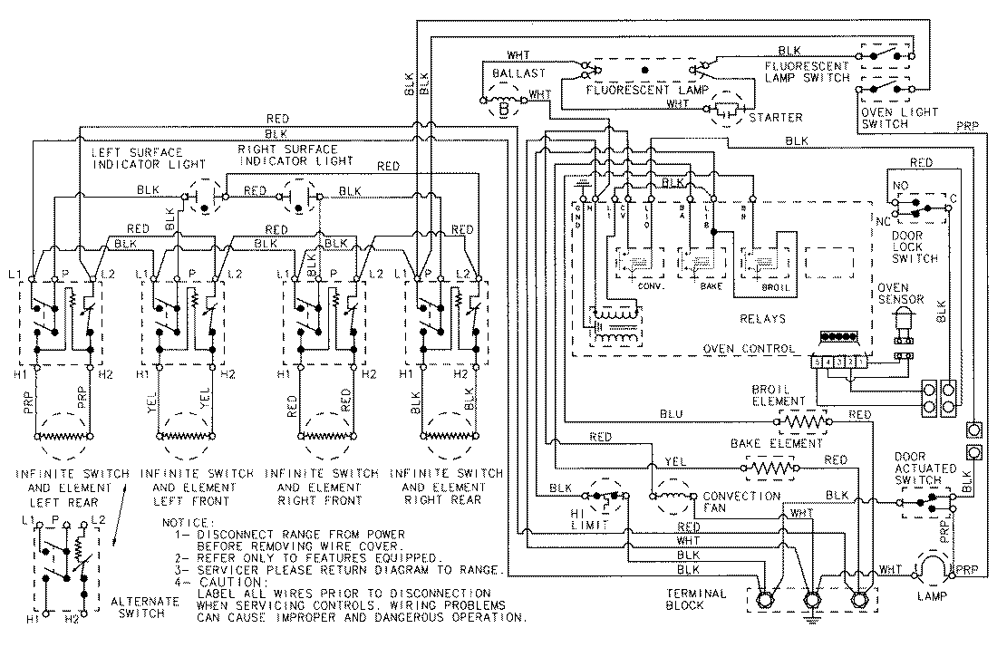
6893VVV 05 – WIRING INFORMATIONadmin2025-04-26T12:23:51+00:006893VVV 05 – WIRING INFORMATION ProductsPositionProductNIMAY 15001523