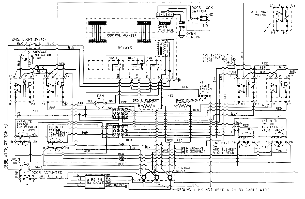
6898VVD 07 – WIRING INFORMATIONadmin2025-04-26T12:25:15+00:006898VVD 07 – WIRING INFORMATION ProductsPositionProductNIMAY 15001408