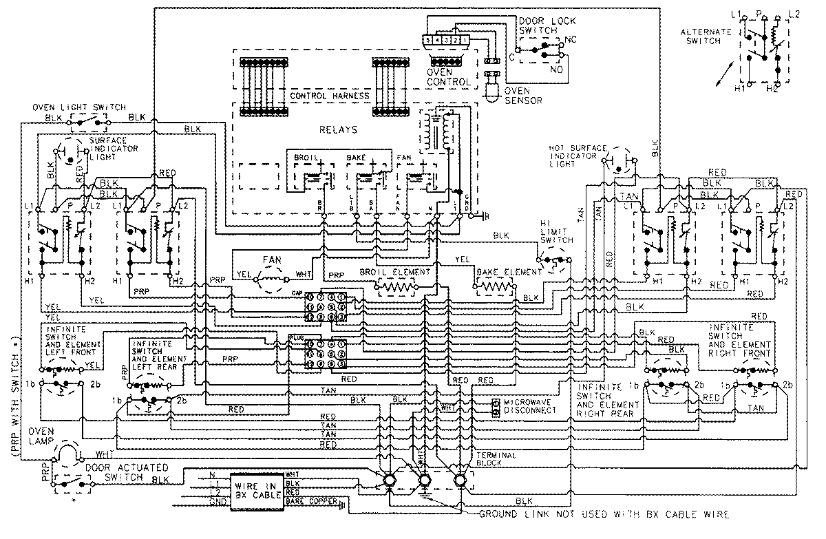
6898VVV 07 – WIRING INFORMATIONadmin2025-04-26T11:29:25+00:006898VVV 07 – WIRING INFORMATION ProductsPositionProductNIMAY 15001408