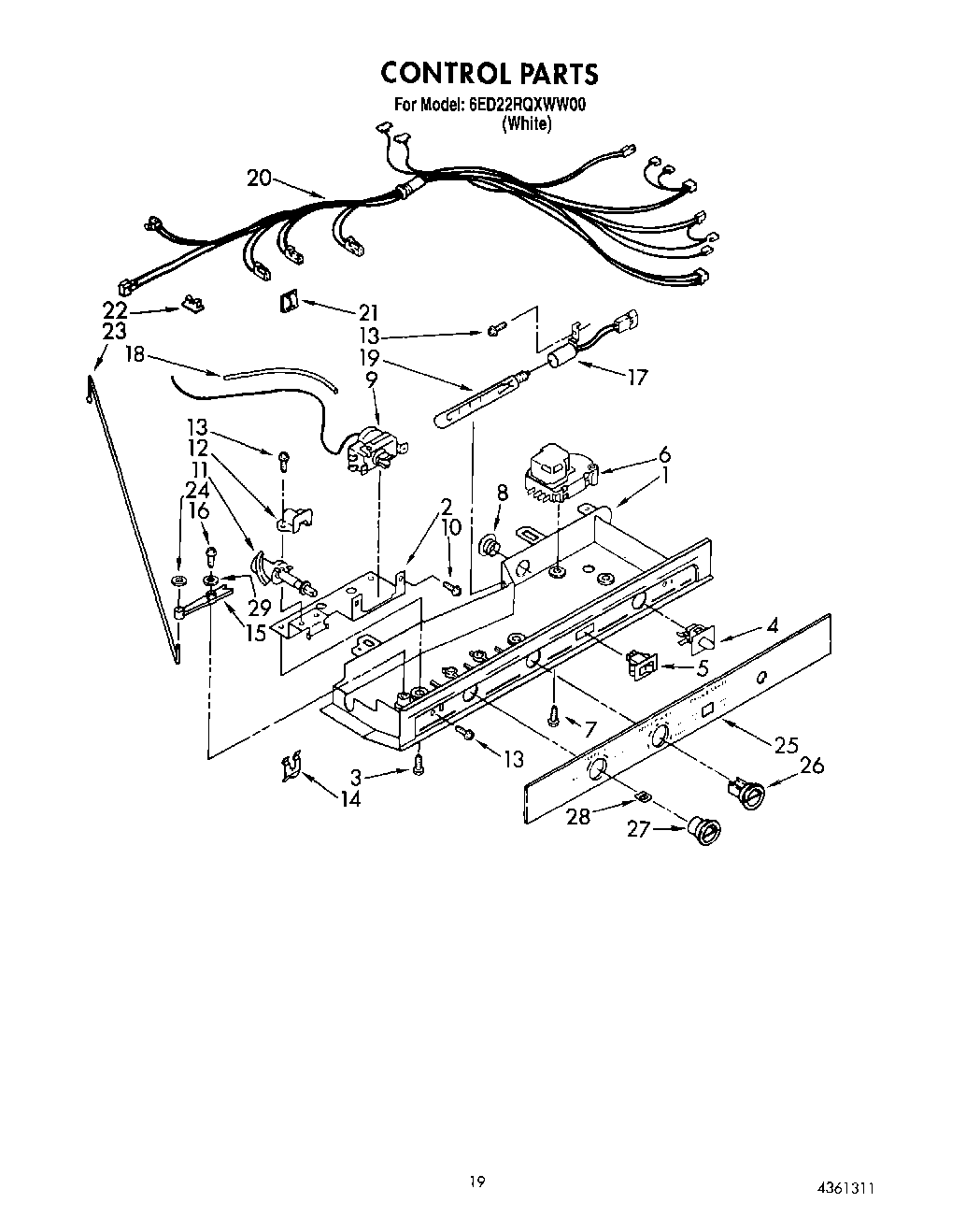
6ED22RQXWW00 13 – CONTROLadmin2025-04-26T12:19:45+00:006ED22RQXWW00 13 – CONTROL ProductsPositionProduct1Control Box2Mounting Bracket3Screw (2)4WP2149705 Whirlpool Refrigerator Door Switch5WP938213 Whirlpool Refrigerator Power Switch6Timer, Defrost (10 Hour)7489392 Whirlpool Refrigerator Screw8940014 Whirlpool Refrigerator Primary Button Plug9WP2198202 Whirlpool Refrigerator Temperature Thermostat10WP965173 Whirlpool Dishwasher Screw11Cam Assembly121110560 Whirlpool Refrigerator Bearing13WP489478 Whirlpool Refrigerator Screw14Retainer, Damper15Pivot Arm16627068 Whirlpool Refrigerator Screw17Light Socket18WP2196003 Whirlpool Refrigerator Bar Riser19RANGE ONLY 40W 120V APPL BULB20Control Box Harness21WP1115374 Whirlpool Refrigerator Clip22CLIP, WIRING23Connecting Rod24Fastener, Push-On25Escutcheon, Control Box262182111 Whirlpool Refrigerator Thermal Knob27Knob, Air Control28Knob, Retainer29489203 Whirlpool Refrigerator Washer