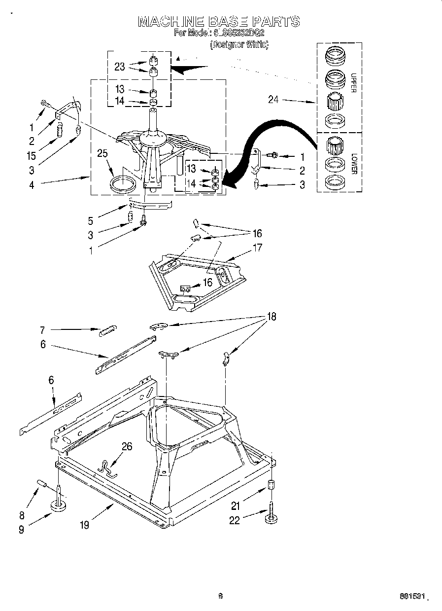
6LSS5232DQ2 05 – MACHINE BASE