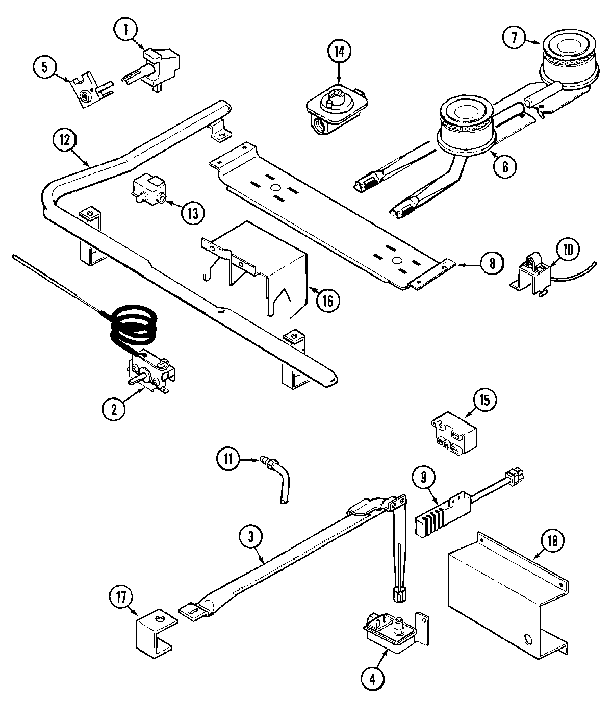
70231 03 – GAS CONTROLS