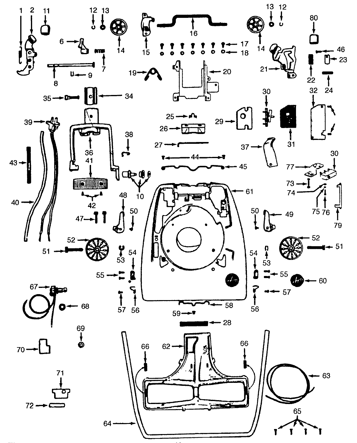
714 06 – MAINBODYadmin2025-04-26T13:11:31+00:00714 06 – MAINBODY ProductsPositionProduct1MAY 12984AY-6MAY 019907--7MAY 048409FW8MAY 047247--9MAY 012979--10MAY 011735--11MAY 034315AR12MAY 017207AZ13MAY 2131277214MAY 3852104115MAY 034205AW16MAY 034351FW18MAY 014062-19MAY 034353--20MAY 3643501621MAY 4313703622MAY 012559FW23MAY 3466500724MAY 047450AY25MAY 045191--26MAY 034350--27MAY 017465AY28MAY 047237--29MAY 048385--30MAY 034962--31MAY 022627--32MAY 016968--33MAY 2146531434MAY 3546300235MAY 48294AW-36MAY 035064JM36MAY 4141603037MAY 013941--38MAY 3944203039MAY 023296AG40MAY 3172702341MAY 034192--42MAY 166648AW43MAY 3831302344MAY 012991--45MAY 034344FW46MAY 047637--47MAY 047195--48MAY 3544600349MAY 3544600550MAY 012456--51MAY 047457AY52MAY 34791AG-53MAY 013730--54MAY 3435500255MAY 048422-56MAY 047259AY57MAY 048423--57MAY 3224300158MAY 034439--59MAY 161882--60MAY 5166100860MAY 035053--61MAY 4224206462MAY 167238--63MAY 3171800164MAY 035040AB64MAY 017458JM64MAY 16974JM-65MAY 12997AW-66MAY 3411100167MAY 2821201768MAY 012626--69MAY 012226--70MAY 048767--71MAY 048805--72MAY 048807--73MAY 014279--74MAY 014199--75MAY 014287--76MAY 012892--77MAY 018589--79MAY 018588--80MAY 3842608084MAY 013890--