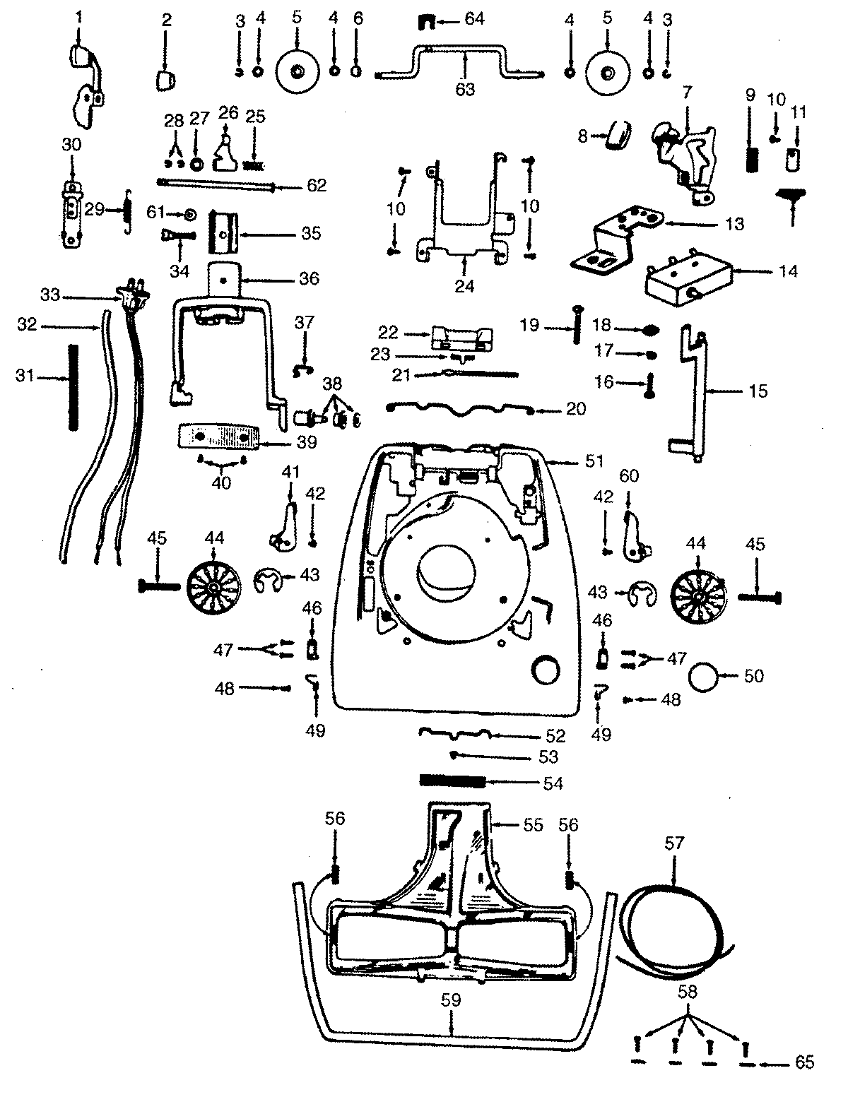
728 05 – MAINBODY