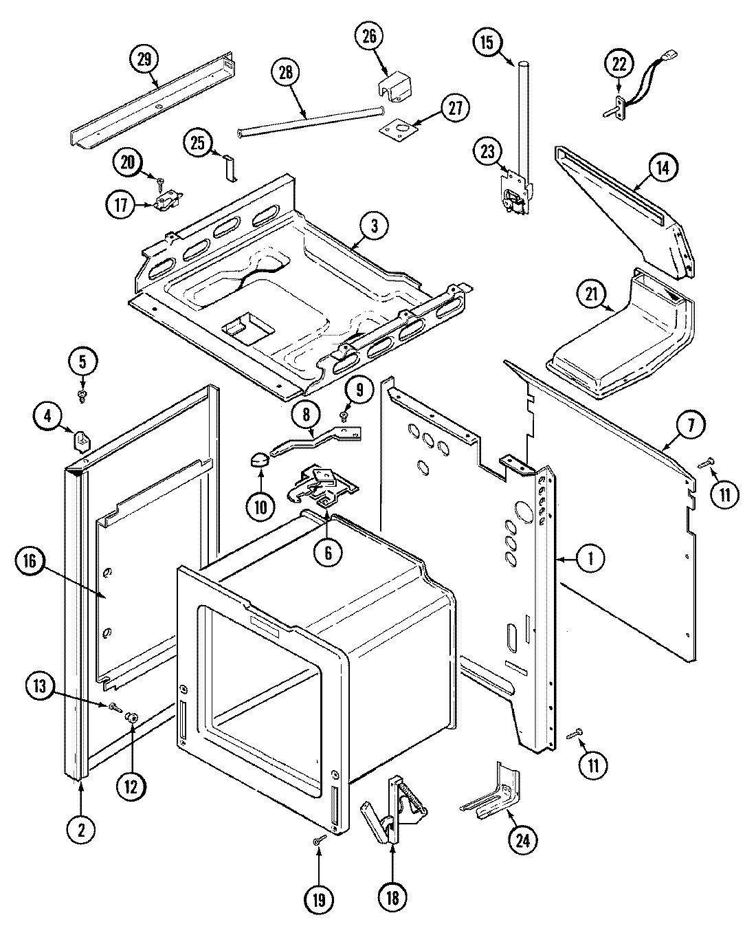
7458XUA 01 – BODYadmin2025-04-26T11:38:12+00:007458XUA 01 – BODY ProductsPositionProduct1MAY 4002F199-801MAY 8008P021-602MAY 2618F111-742MAY 2618F112-743MAY 740018213MAY 4001F204-804SPACER, MAIN TOP (RT)4SPACER, MAIN TOP (LT)5MAY 7118P013-606MAY 4804F028-606MAY 8002P027-607MAY 4005F355-518MAY 8009P029-608MAY 7109P015-608MAY 8009P023-609SCREW, LEVER10MAY 7701P088-6010MAY 7112P003-6011MAY 7101P290-6012MAY 8004P024-6013MAY 7101P334-6014MAY 4022W004-4514MAY 7403P249-6016MAY 3804F103-5117MAY 7403P361-6017MAY 7003P063-6017MAY 7403P363-6017MAY 3801F267-4518MAY 7106P056-6019SCREW, HINGE20MAY 7101P330-6020MAY 7101P130-6021MAY 4006W113-4522MAY 7430P009-6023MAY 7427P013-6024MAY 3801F218-5124MAY 7101P289-6025MAY 3807F431-4526MAY 4006F148-5127MAY 4011F242-5128MAY 7506P124-6028MAY 8026P021-6029MAY 3604F174-5129MAY 3604F173-5130BAFFLE,VENT COVER31MAY 7402P046-60