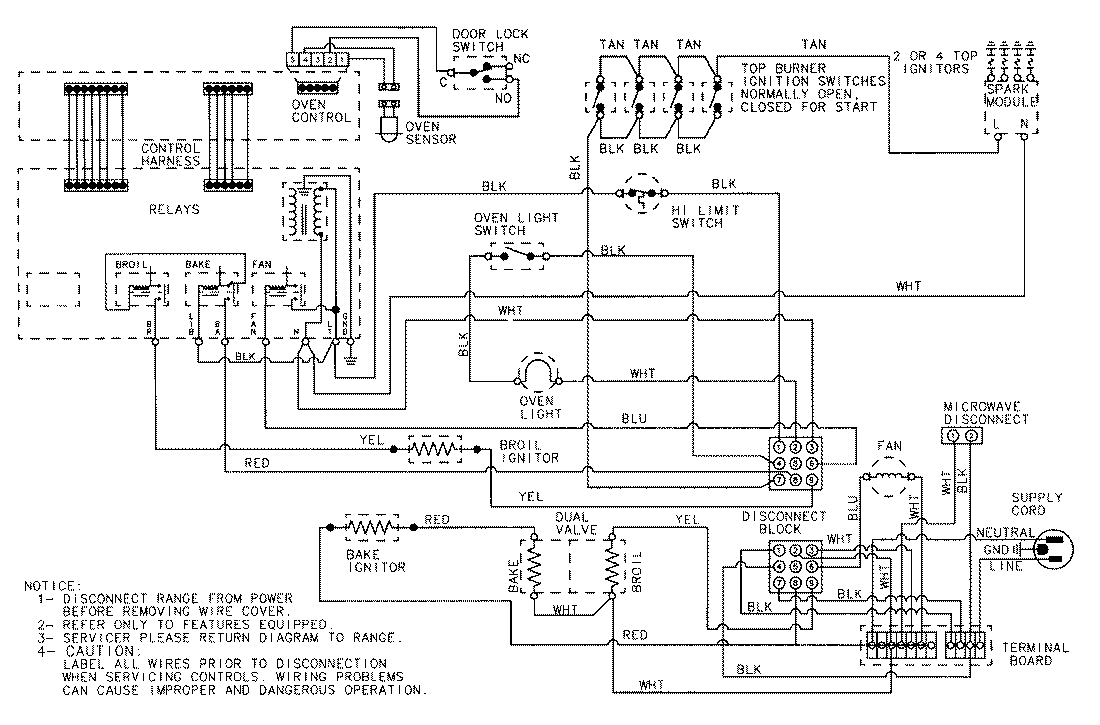
7498VAD 08 – WIRING INFORMATIONadmin2025-04-26T12:01:52+00:007498VAD 08 – WIRING INFORMATION ProductsPositionProductNIMAY 15001412