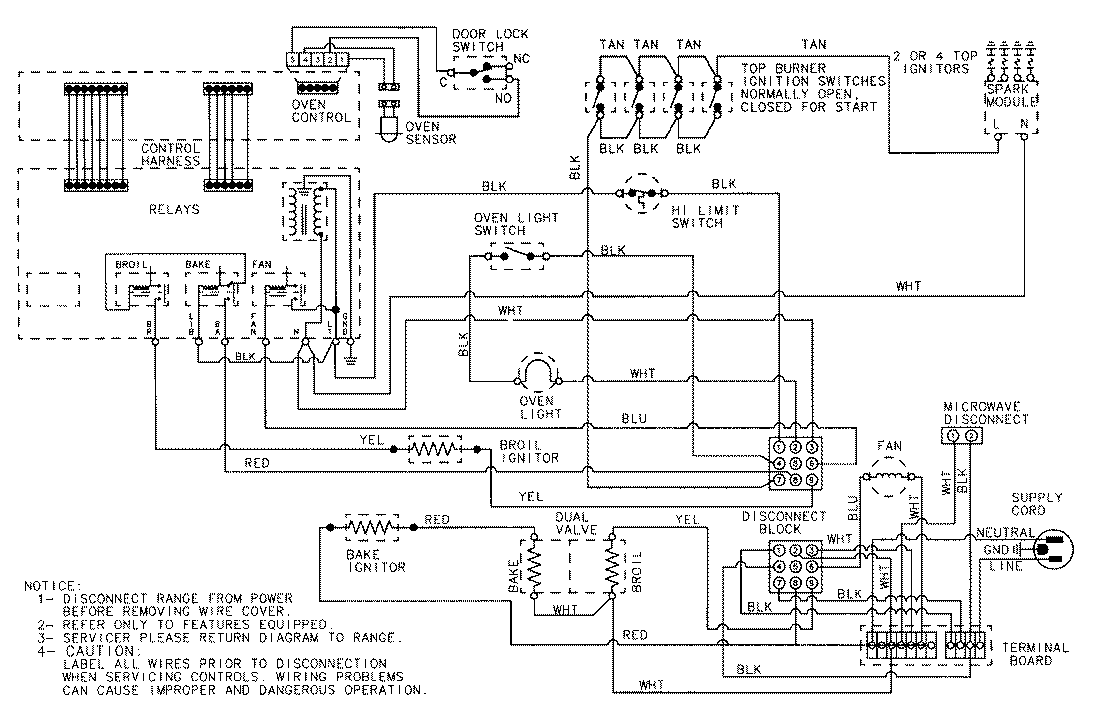
7498VVV 09 – WIRING INFORMATIONadmin2025-04-26T12:02:44+00:007498VVV 09 – WIRING INFORMATION ProductsPositionProductNIMAY 15001412