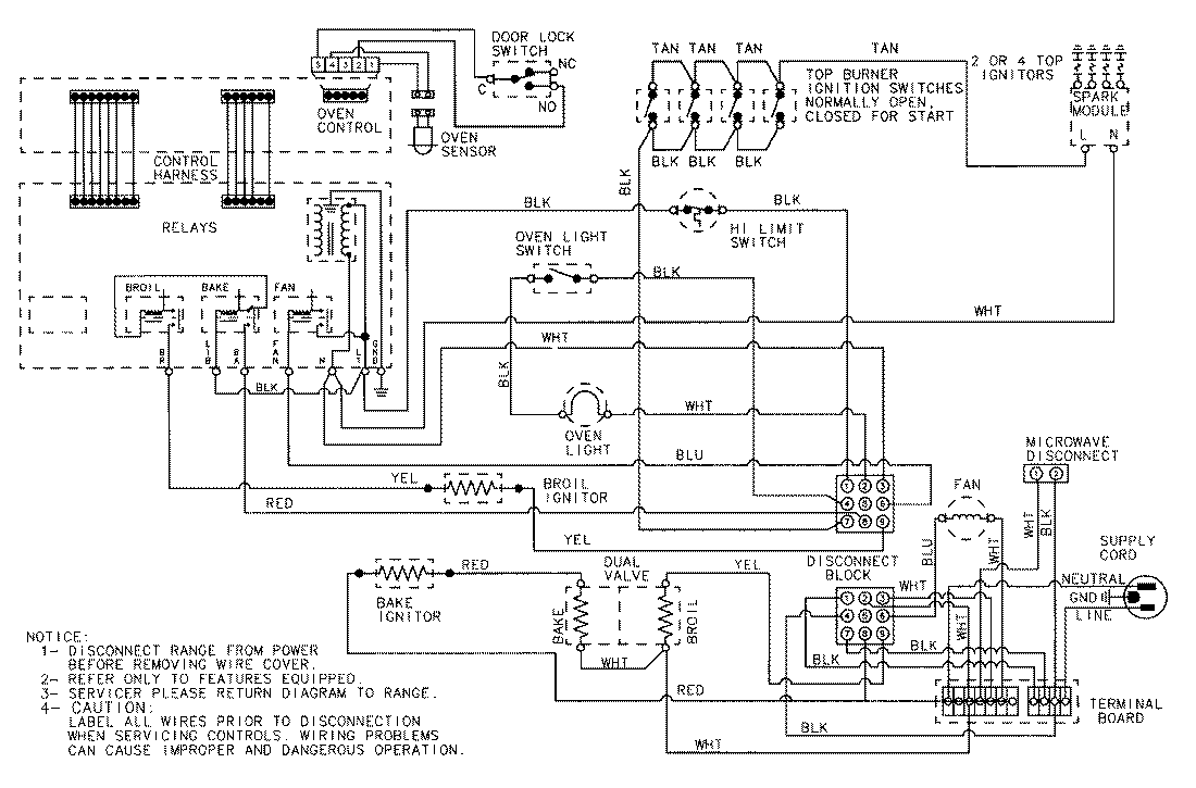
7498XVA 09 – WIRING INFORMATIONadmin2025-04-26T12:01:34+00:007498XVA 09 – WIRING INFORMATION ProductsPositionProductNIMAY 15001412