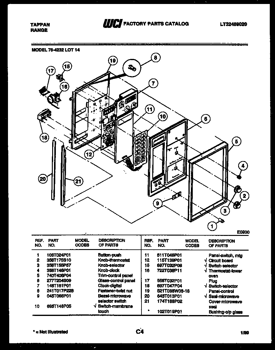
76-4232-57-14 12 – CONTROL PANELadmin2025-04-26T08:49:33+00:0076-4232-57-14 12 – CONTROL PANEL ProductsPositionProduct*20403BUSHING C/P1WCI 106T024P012WCI 358T175S103WCI 358T155P574KNOB-CLOCK5TRIM CONTROL PNL6WCI 277T204S097WCI 148T181P018FASTENER, CLOCK9WCI 045T066P0110WCI 695T146P0511PANEL SWITCH12CIRCUIT BRD. PRINT.15WCI 697T032P0816WCI 722T038P1117PLUG DISCON 9 PIN18SWITCH ON-OFF19WCI 521T085W03-1820SEAL21COVER, SEAL