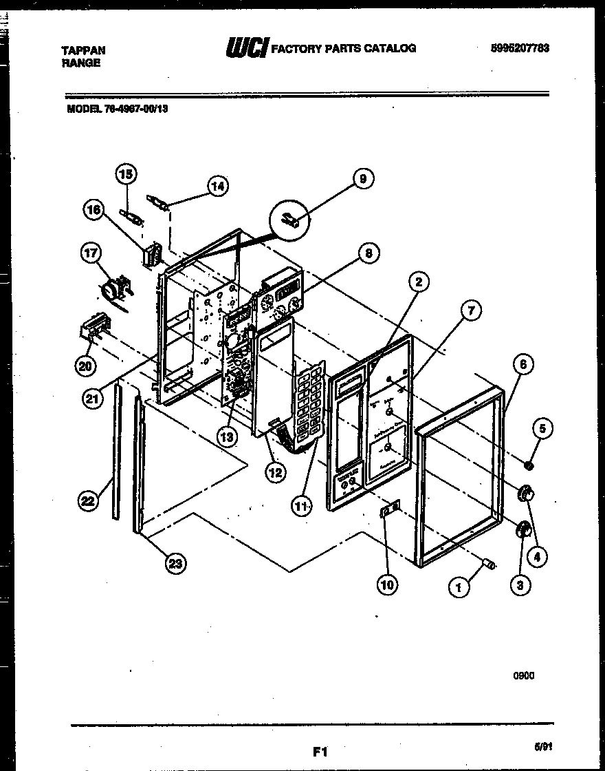
76-4967-00-13 07 – CONTROL PANEL