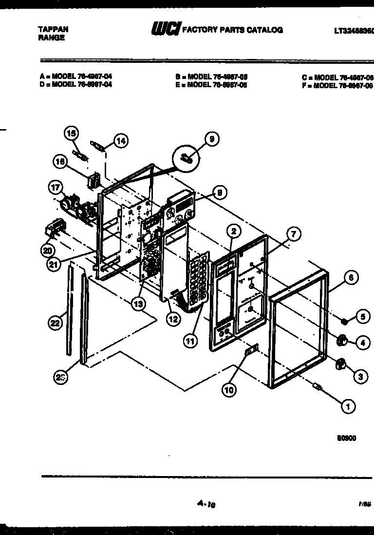
76-4967-23-06 07 – CONTROL PANELadmin2025-04-26T08:49:30+00:0076-4967-23-06 07 – CONTROL PANEL ProductsPositionProduct1WCI 30915442BEZEL3WCI 30914084KNOB-THERMO LOWR5WCI 358T201P016TRIM CONTROL PNL7WCI 30914098WCI 30913859FASTENER, CLOCK10WCI 309137511SWITCH TOUCH MEMBRANE12PANEL SWITCH13WCI 139T026P0214INDICATOR LIGHT (4)15SCREW BOARD (4)16SWITCH SLCTR-5 POS17WCI 301667820SWITCH ON-OFF21WCI 309146822SEAL23WCI 174T264P0324BUSHING C/P25SPACER - CONTROL PNL (2)26WCI 657T010F0128SCREW SW PNL. (7)295303288565 Frigidaire Screw