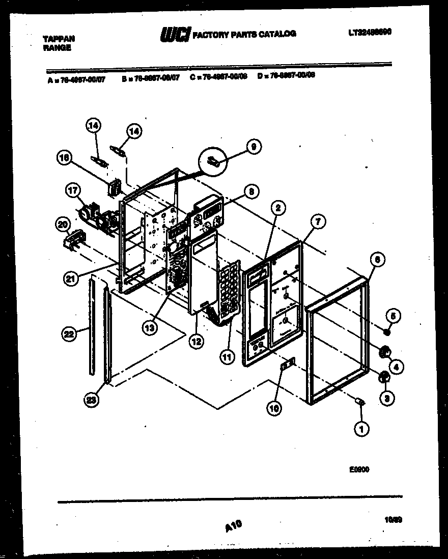
76-4967-23-07 07 – CONTROL PANELadmin2025-04-26T08:49:24+00:0076-4967-23-07 07 – CONTROL PANEL ProductsPositionProduct*33943BUSHING C/P*33944WCI 657T010F01*33944SCREW SW PNL. (7)*33944SPACER - CONTROL PNL (2)1WCI 30915443WCI 30914084KNOB-THERMO LOWR5WCI 358T201P016TRIM CONTROL PNL7WCI 30914098WCI 30913859FASTENER, CLOCK10BEZEL11SWITCH TOUCH MEMBRANE12PANEL SWITCH13WCI 139T026P0214INDICATOR LIGHT (4)14ASCREW BOARD (4)16SWITCH SLCTR-5 POS17WCI 301667817A5303288565 Frigidaire Screw20SWITCH ON-OFF21WCI 309146822SEAL23WCI 174T264P03