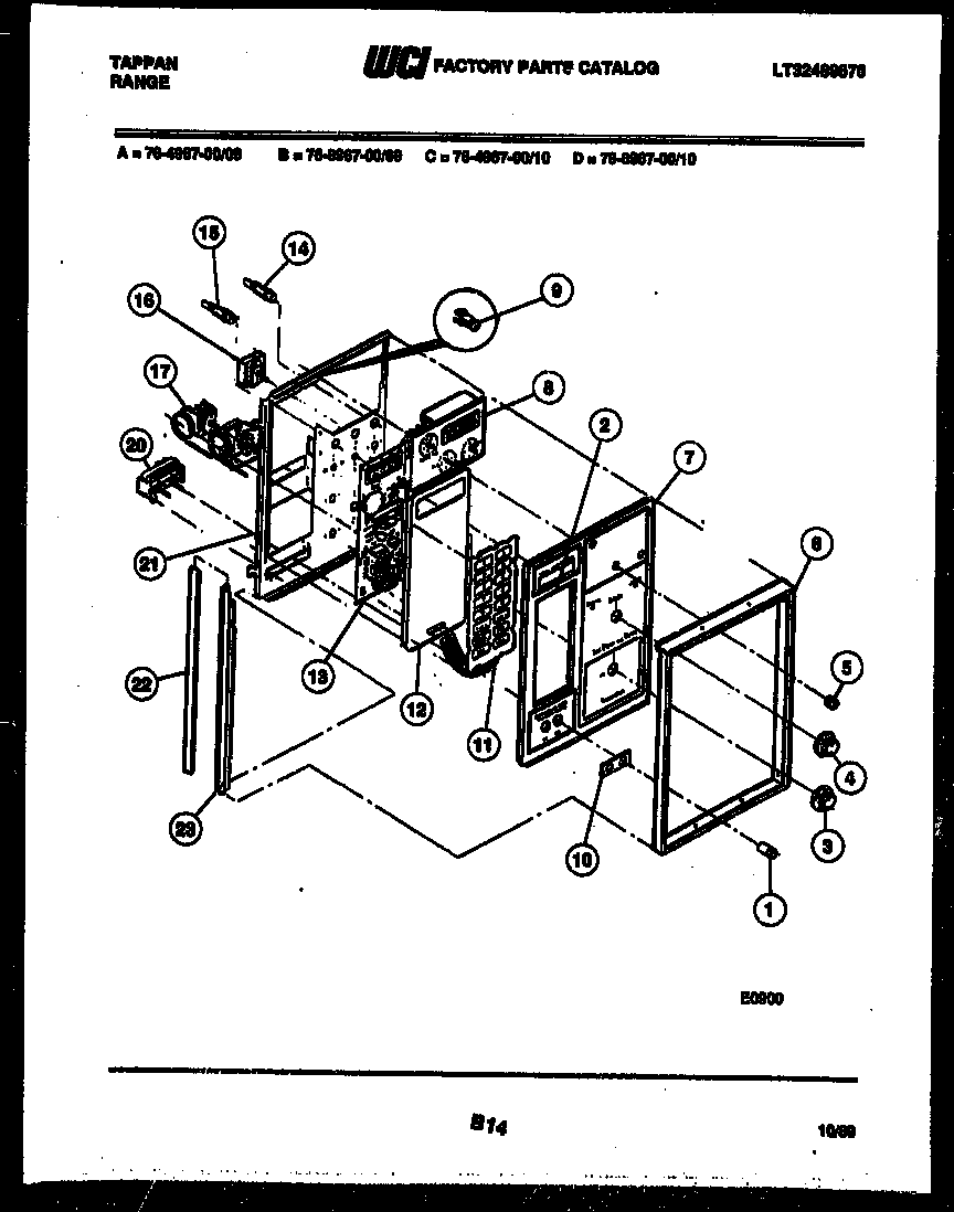
76-4967-23-10 07 – CONTROL PANELadmin2025-04-26T08:49:12+00:0076-4967-23-10 07 – CONTROL PANEL ProductsPositionProduct*34108BUSHING C/P*34108WCI 657T010F01*34108SCREW SW PNL. (7)*34108SPACER - CONTROL PNL (2)1WCI 30915443WCI 30914084KNOB-THERMO LOWR5WCI 358T201P016TRIM CONTROL PNL7WCI 30914098WCI 30913859FASTENER, CLOCK10BEZEL11SWITCH TOUCH MEMBRANE12PANEL SWITCH13WCI 139T026P0214INDICATOR LIGHT (4)15SCREW BOARD (4)16SWITCH SLCTR-5 POS17WCI 301667817A5303288565 Frigidaire Screw20SWITCH ON-OFF21WCI 309146822SEAL23WCI 174T264P03