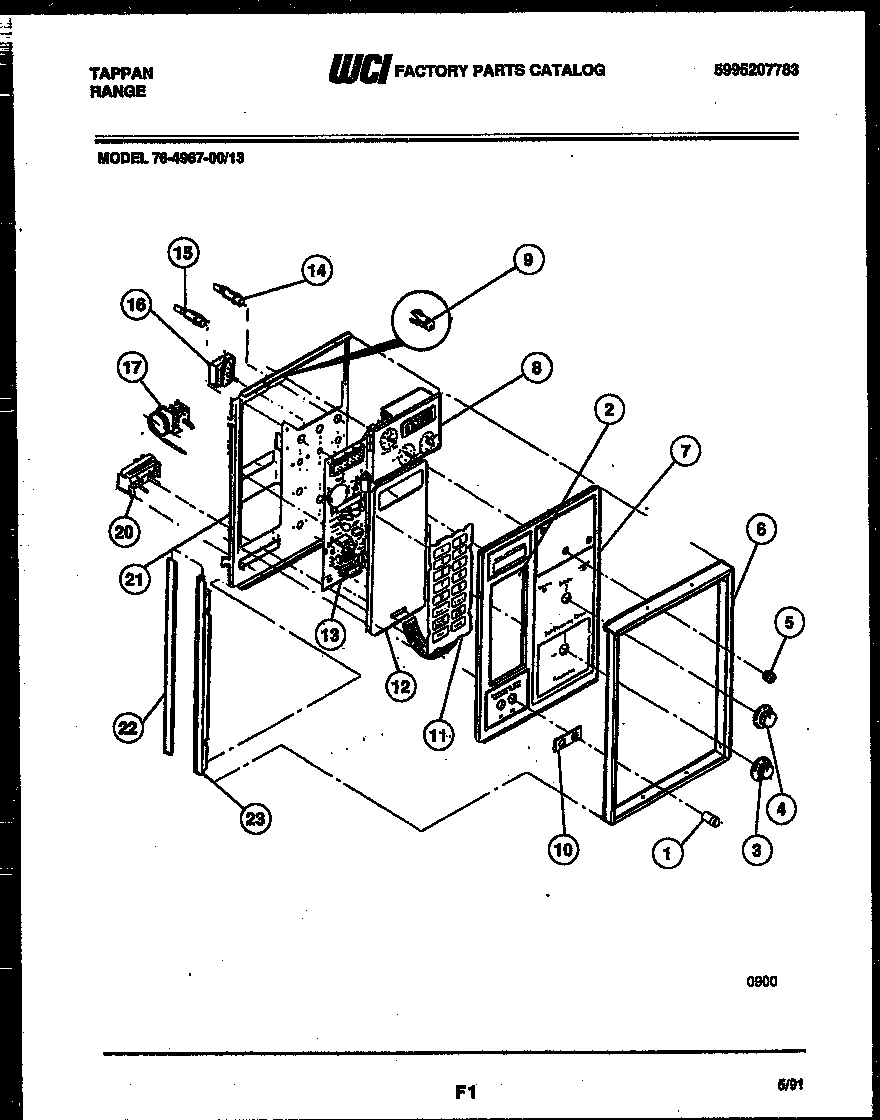
76-4967-32-13 07 – CONTROL PANELadmin2025-04-26T08:48:54+00:0076-4967-32-13 07 – CONTROL PANEL ProductsPositionProduct*50845SPACER - WRAPPER*50846WCI 5308037903*50845WCI 5308010401*50846SCREW SW PNL. (7)1BUTTON (2)2WCI 53080378903WCI 53030914084WCI 53030914005WCI 53032083346TRIM CONTROL PNL7WCI 53030914098WCI 53030913859FASTENER - CLOCK10WCI 309137511SWITCH TOUCH MEMBRANE12WCI 530320785713WCI 530801286814WCI 530803789615WCI 530800890416SWITCH SELECTOR 5 POS.17WCI 301675617A5303288565 Frigidaire Screw20WCI 530800891021WCI 530309146822WCI 530801042023WCI 5303200599