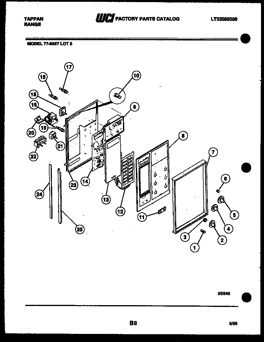
77-8957-23-05 07 – CONTROL PANELadmin2025-04-26T08:49:16+00:0077-8957-23-05 07 – CONTROL PANEL ProductsPositionProduct*23935SPACER - CONTROL PNL (2)*239365303288565 Frigidaire Screw1BUTTN PUSH ON-OFF (2)2WCI 30913933BUSHING C/P4KNOB-THERMOSTAT UPPER5KNOB-SELECTOR SWITCH 6 POS.6WCI 358T201P017TRIM CONTROL PNL8GLASS CONTRL PNL ASSY.9WCI 309138510FASTENER, CLOCK11BEZEL12SWITCH TOUCH MEMBRANE13PANEL SWITCH14ASCREW BOARD (4)14CIRCUIT BRD. PRINT.15INDICATOR-LITE OVN17INDICATOR LIGHT (4)18WCI 305131519THERMO-OVEN LOWER20PLUG DISCON 9 PIN21SWITCH S/U (4)22SWITCH ON-OFF22ASCREW SELECT. SW. (NON-ILLUSTRATED)23WCI 309134323ASCREW SW PNL. (7)24SEAL25COVER, SEAL