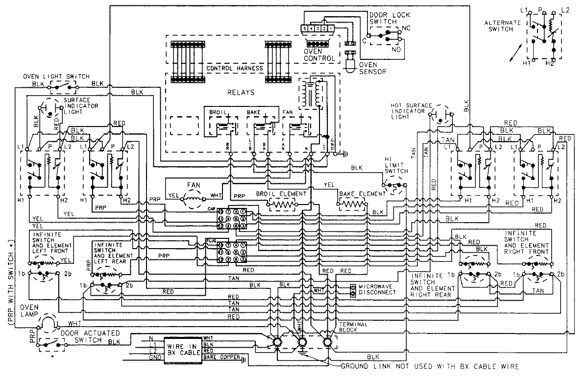
7898VAD 07 – WIRING INFORMATIONadmin2025-04-26T12:02:56+00:007898VAD 07 – WIRING INFORMATION ProductsPositionProductNIMAY 15001408