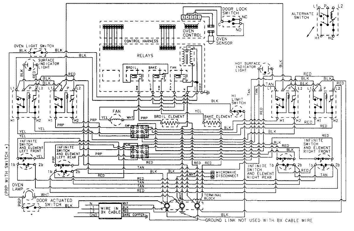
7898VAV 07 – WIRING INFORMATION

7898VAV 07 – WIRING INFORMATION

Products

PositionProduct
NIMAY 15001408