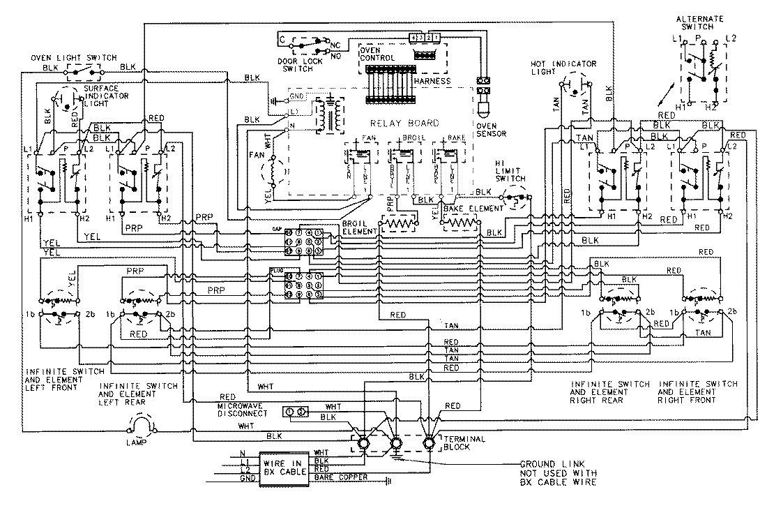
7898XRW 07 – WIRING INFORMATIONadmin2025-04-26T12:01:03+00:007898XRW 07 – WIRING INFORMATION ProductsPositionProductNIMAY 15002061