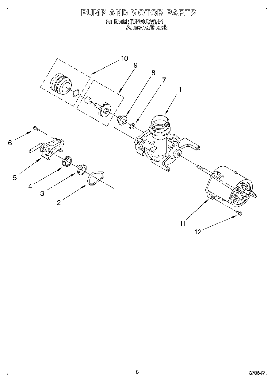
7DP840CWDB1 05 – PUMP AND MOTOR