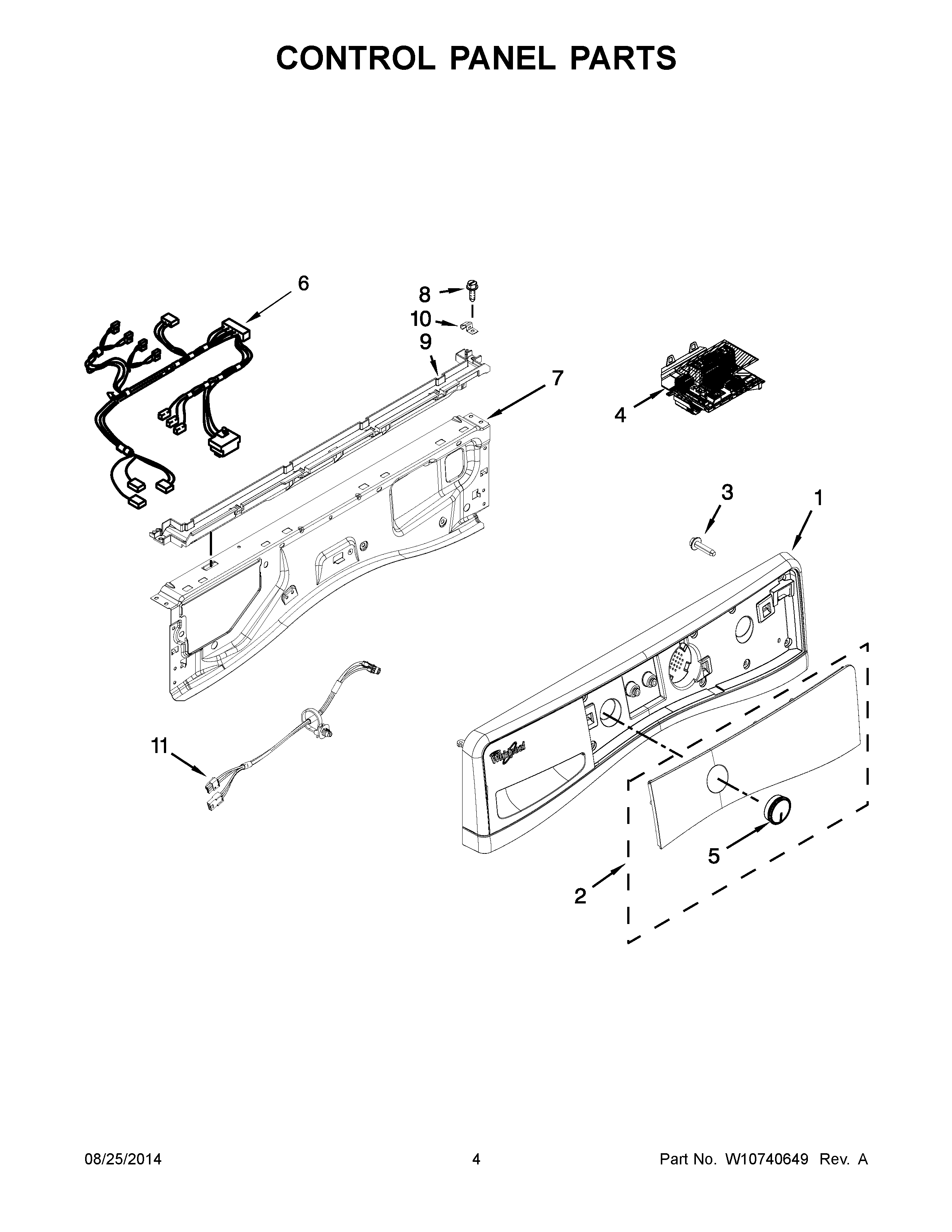
7MWFW95HEDU0 03 – CONTROL PANEL PARTSadmin2025-04-26T11:37:12+00:007MWFW95HEDU0 03 – CONTROL PANEL PARTS ProductsPositionProduct1W10858319 Whirlpool Console2ASSEMBLY, IML (SILVER)3W10589828 Whirlpool Screw4W11032117 Whirlpool Washer Electronic Control Board + Core5W10631128 Whirlpool Knob Assembly6W10685628 Whirlpool Wire Harness7W10208197 Whirlpool Bracket8WP489464 Whirlpool Refrigerator Screw9WPW10653575 Whirlpool Channel10W10317566 Whirlpool Clip11WPW10442440 Whirlpool Wire Harness