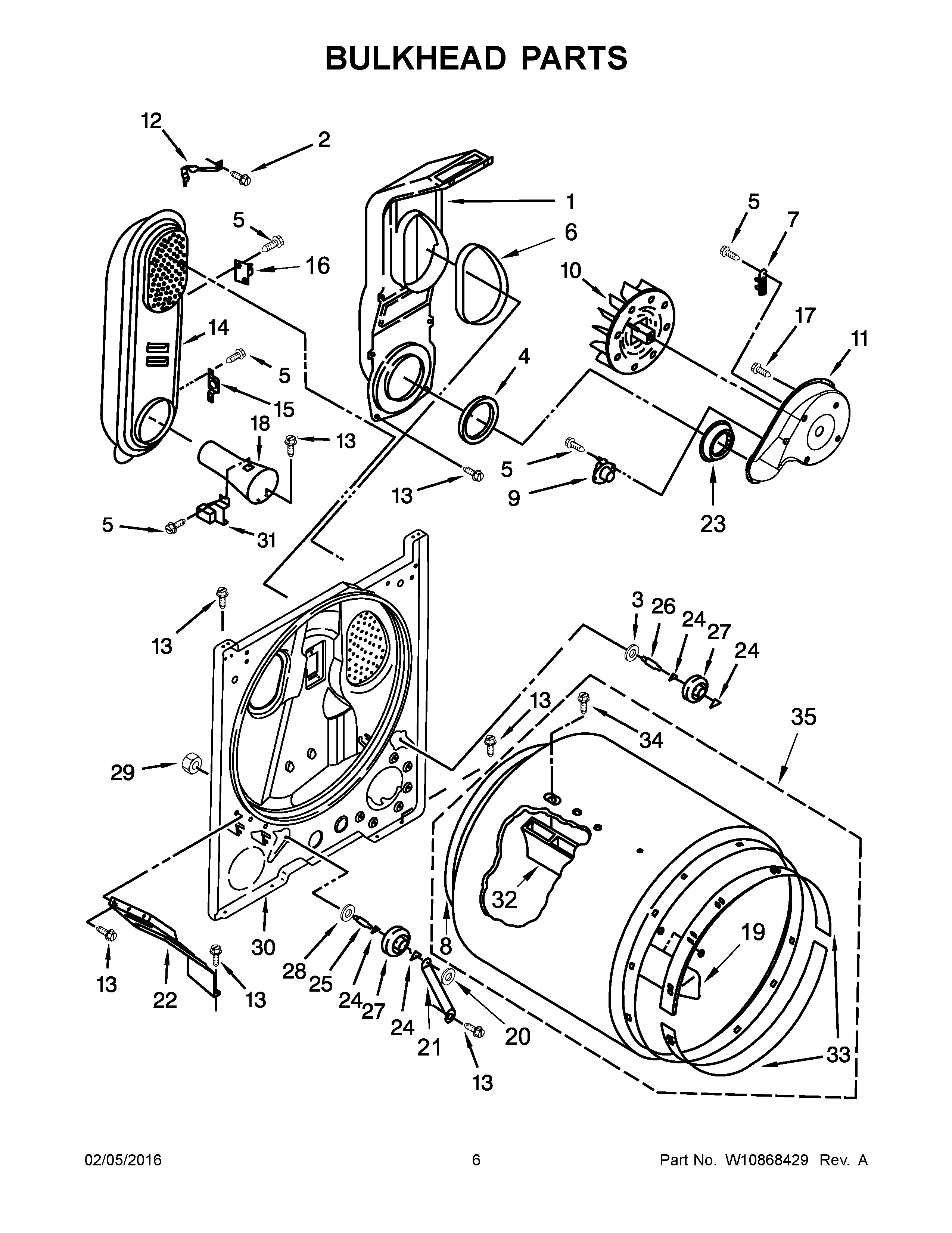
7MWGD1850EI0 04 – BULKHEAD PARTSadmin2025-04-26T12:58:41+00:007MWGD1850EI0 04 – BULKHEAD PARTS ProductsPositionProduct1W11117429 Whirlpool Chute Assembly2WP489463 Whirlpool Refrigerator Screw3WP3388703 Whirlpool Washer4W11415783 Whirlpool Seal5WP90767 Whirlpool Screw6SEAL7WP3392519 Whirlpool Dryer Thermal Fuse8W10612022 Whirlpool Felt Seal9WP3387134 Whirlpool Dryer Cycling Thermostat10WP694089 Whirlpool Dryer Blower Wheel11WP8577230 Whirlpool Housing12279771 Whirlpool Clip13WP3390631 Whirlpool Screw14279980 Whirlpool Box15W11050897 Whirlpool Dryer High Limit Thermostat16279769 Whirlpool Dryer Thermal Cut-Off Fuse Kit17WP488729 Whirlpool Refrigerator Door Screw18WP8066049 Whirlpool Funnel Assembly19WP3403636 Whirlpool Drum Baffle20WP90296 Whirlpool Clip21W11684613 Whirlpool Bracket22W11398682 Whirlpool Bracket23W11233063 Whirlpool Shield Assembly24WPW10512946 Whirlpool Dryer Tri-Ring Drum Roller25SHAFT SUPPORT ROLLER DRYER26SHAFT SUPPORT ROLLER DRYER27349241T Whirlpool Dryer Drum Support Roller Kit28WP348197 Whirlpool Washer Assembly29W11229607 Whirlpool Nut30W11178668 Whirlpool Bulkhead31WP338906 Whirlpool Dryer Gas Sensor32BAFFLE-DRM33279441 Whirlpool Front Bearing Ring34W10853898 Whirlpool Screw35W10899578 Whirlpool Dryer Drum Assembly