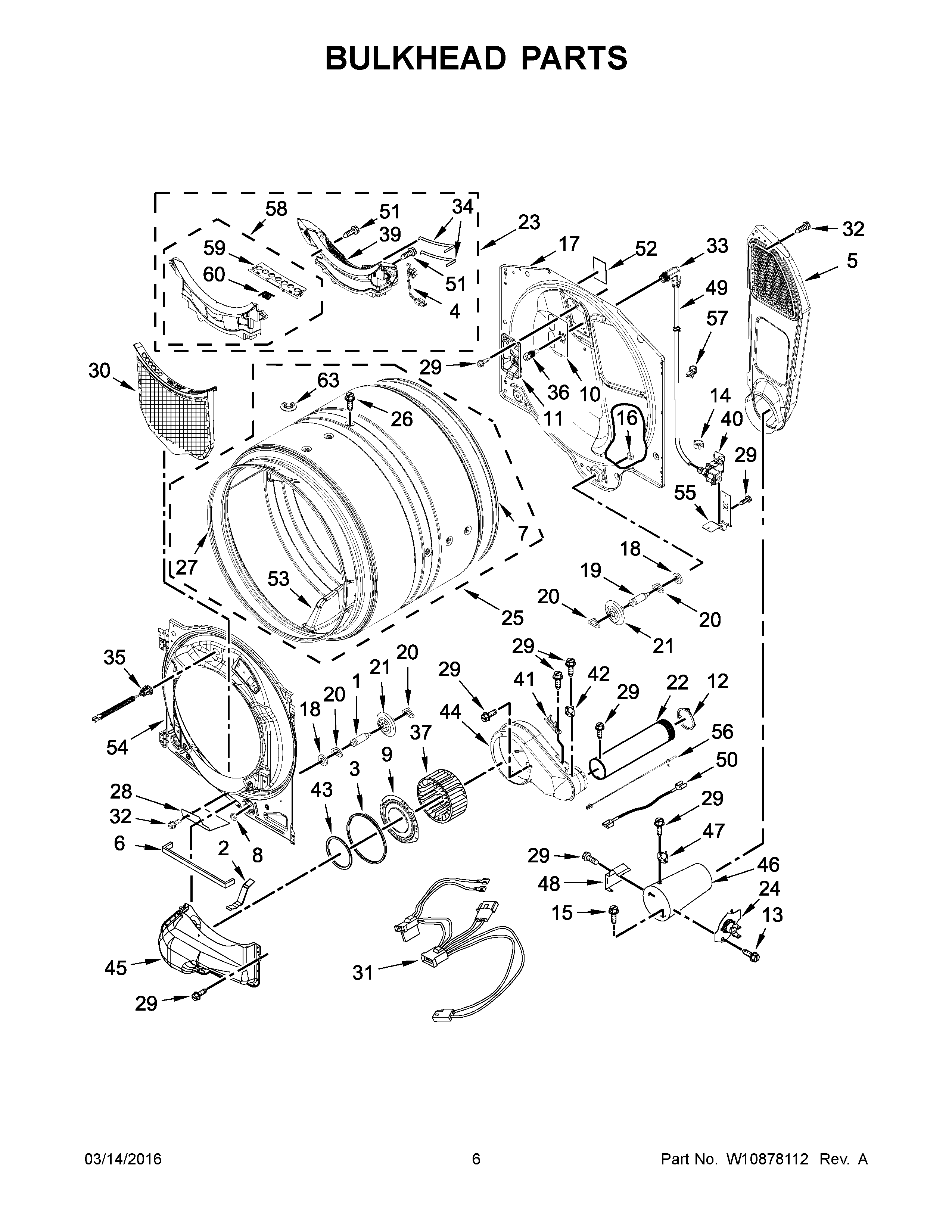
7MWGD90HEFC0 04 – BULKHEAD PARTS

7MWGD90HEFC0 04 – BULKHEAD PARTS

Products

PositionProduct
1SHAFT
2W10414388 Whirlpool Clip
3W10211899 Whirlpool Seal
4WPW10298258 Whirlpool Wire Harness
5WPW10293765 Whirlpool Air Duct
6W11676493 Whirlpool Seal Assembly
7280114 Whirlpool Dryer Drum Seal
8WPW10080210 Whirlpool Nut
9W10211901 Whirlpool Cover Assembly
10WPW10208422 Whirlpool Dryer Light Deflector Cover
11WPW10656504 Whirlpool Bracket
12WPW10344699 Whirlpool Collar
13WP693995 Whirlpool Screw
14W10044599 Whirlpool Clip
15W10665050 Whirlpool Plug
16WPW10080190 Whirlpool Nut
17W11299301 Whirlpool Bulkhead Assembly
18W11236646 Whirlpool Washer Assembly
19SHAFT
20WPW10512946 Whirlpool Dryer Tri-Ring Drum Roller
21WPW10314173 Whirlpool Dryer Drum Support Wheel
22WPW10342188 Whirlpool Exhaust Pipe
23HOUSNG-DRYER LINT
24WP8573713 Whirlpool Thermal Fuse
25W10381481 Whirlpool Drum Assembly
26W10853898 Whirlpool Screw
27W11193479 Whirlpool Seal
28W11257251 Whirlpool Shield
29WP489463 Whirlpool Refrigerator Screw
30SCREEN - LINT. ALPHA W/FELT
31W10708958 Whirlpool Wire Harness
32WP488729 Whirlpool Refrigerator Door Screw
33WPW10347739 Whirlpool Hose
34WP3387223 Whirlpool Electrode Assembly
35ASSEMBLY, DRUM LIGHT
36WPW10277503 Whirlpool Nozzle
37WP697772 Whirlpool Dryer Blower Wheel
388529007 Whirlpool Plug
39W11125442 Whirlpool Outer Grille
40W10815373 Whirlpool Valve
41FUSE-THRML
42WP8577274 Whirlpool Dryer Thermistor
43WP697770 Whirlpool Blower Cover Plate Seal
44WPW10211911 Whirlpool Housing
45WPW10211896 Whirlpool Duct Lint
46WP8573824 Whirlpool Funnel
47THRMST-FIX
48WP338906 Whirlpool Dryer Gas Sensor
50W10525140 Whirlpool Wire Harness
51W11590579 Whirlpool Screw
52W11409002 Whirlpool Pad
53W10416098 Whirlpool Baffle Assembly
54W10673491 Whirlpool Bulkhead Assembly
56W11396709 Whirlpool Gas Inlet Thermostat
57WP3391018 Whirlpool Wire Tie
58W10905013 Whirlpool Door
59W11156832 Whirlpool Air Grille
60W11678124 Whirlpool Dryer Spring