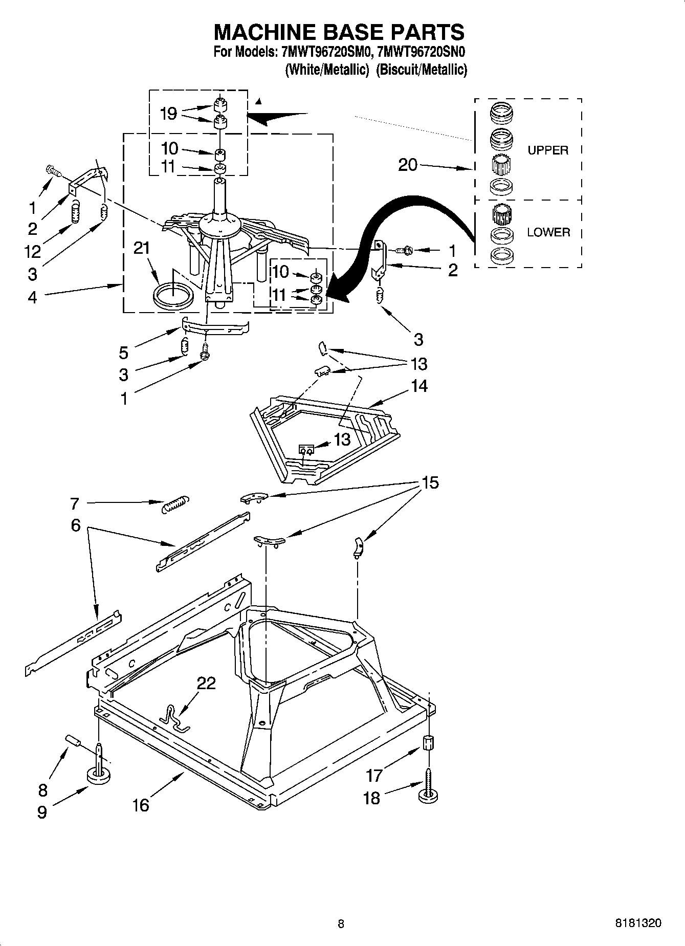
7MWT96720SN0 05 – MACHINE BASE PARTS