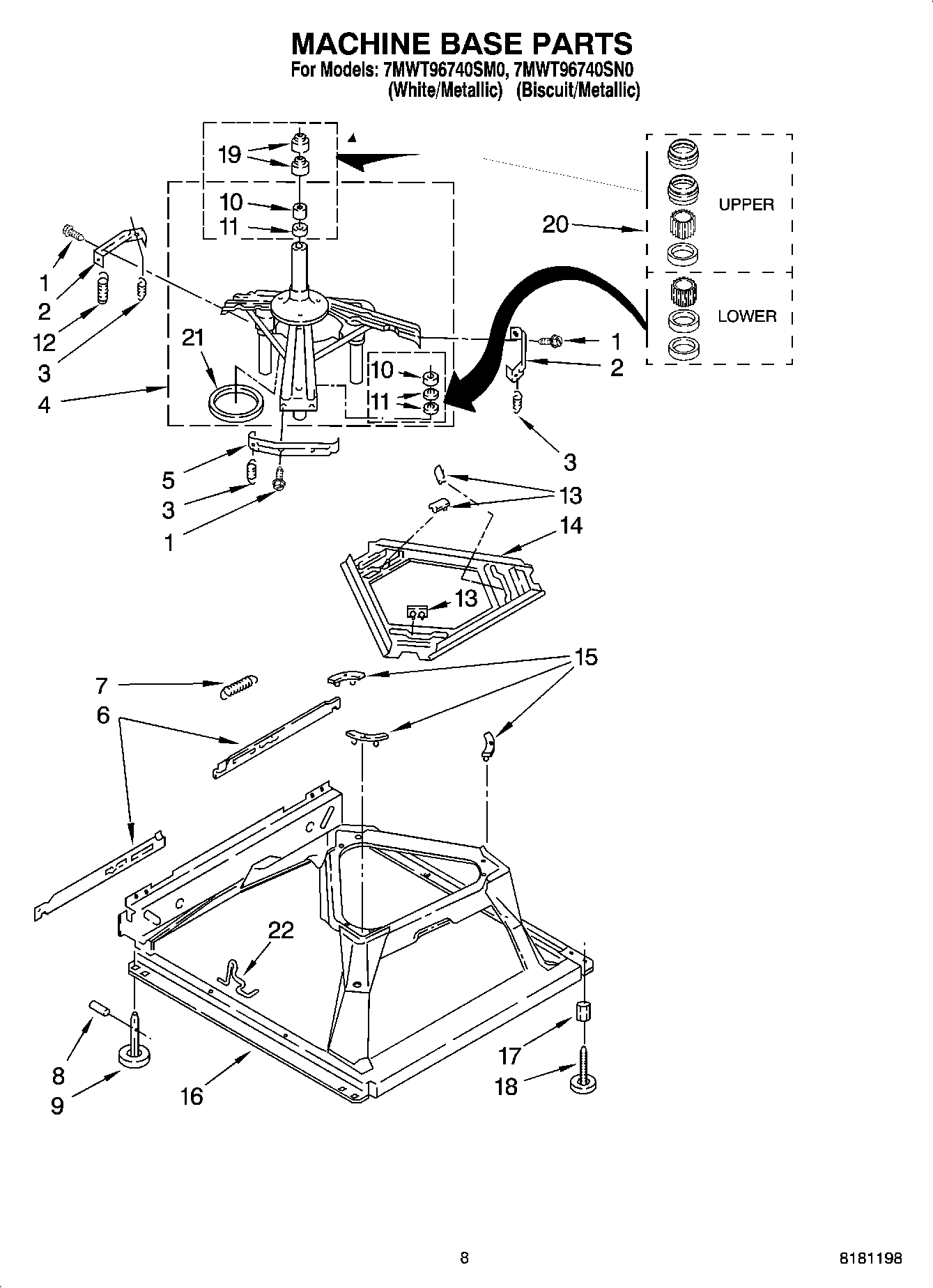
7MWT96740SN0 05 – MACHINE BASE PARTS