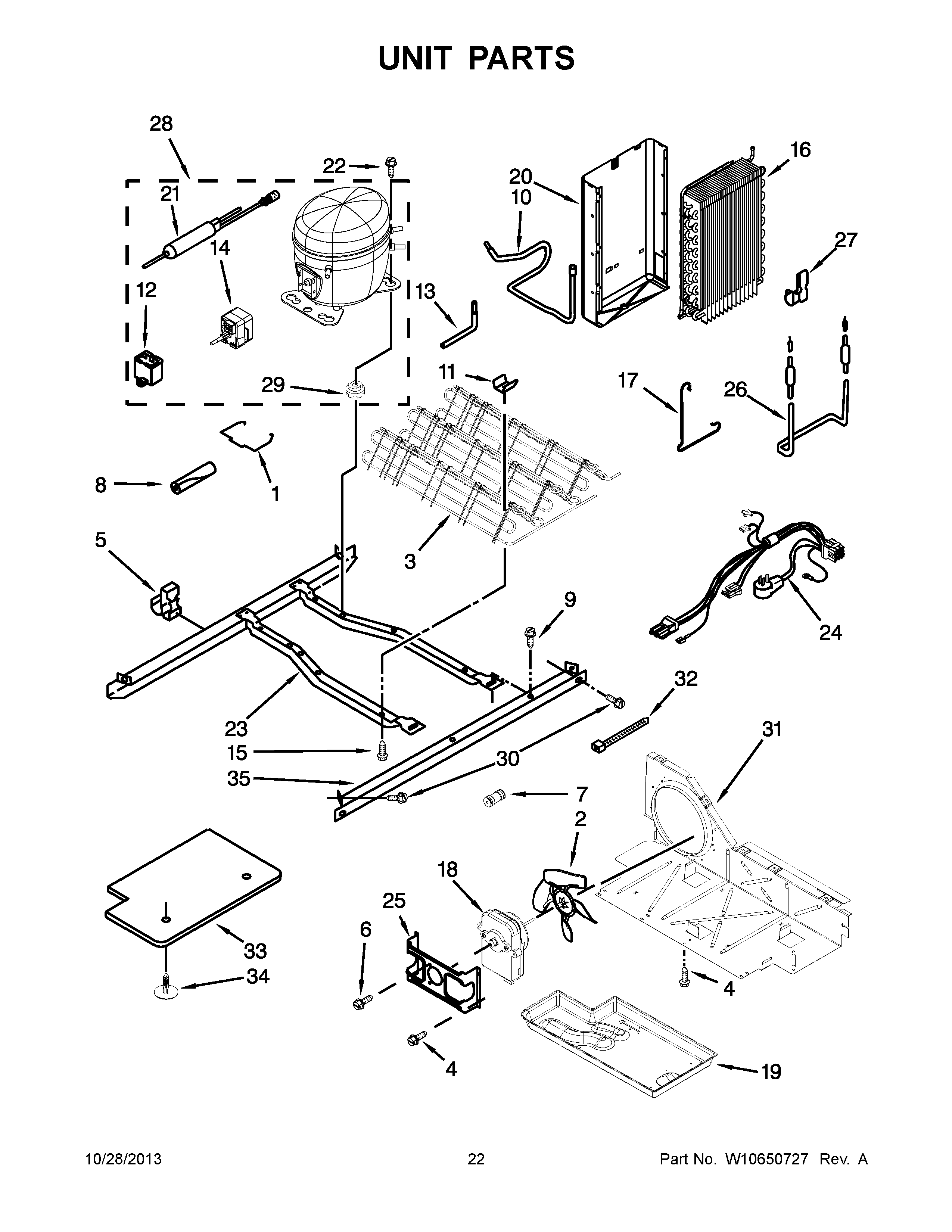
7WRS25FDBF00 12 – UNIT PARTSadmin2025-04-26T09:47:29+00:007WRS25FDBF00 12 – UNIT PARTS ProductsPositionProductNICABINET (NOT A SERVICEABLE PART)NIVALVE, ACCESS (1/2``)NIWP978025 Whirlpool Refrigerator ValveNI978030 Whirlpool Refrigerator ValveNI978027 Whirlpool Refrigerator Primary ValveNI978026 Whirlpool Refrigerator Primary ValveNI876764 Whirlpool Refrigerator Primary ValveNIVALVE, ACCESS (5/8``)1W10204187 Whirlpool Refrigerator Retainer2W10156818 Whirlpool Refrigerator Fan Blade32324712 Whirlpool Refrigerator Condenser4WP489464 Whirlpool Refrigerator Screw5W10812039 Whirlpool Clip6WP8533993 Whirlpool Refrigerator Screw7WP2300868 Whirlpool Refrigerator Fitting8SLEEVE9WP489427 Whirlpool Refrigerator Screw10WP2205765 Whirlpool Refrigerator Tube11W10683556 Whirlpool Refrigerator Clip12CAPACITOR13W10858105 Whirlpool Refrigerator Tube14WPW10189190 Whirlpool Start Device15W11544659 Whirlpool Refrigerator Screw16WP2188823 Whirlpool Refrigerator Evaporator18WP2188874 Whirlpool Refrigerator Condenser Motor19WPW10614158 Whirlpool Refrigerator Evaporator Tray20W10194475 Whirlpool Refrigerator Shield21WPW10143759 Whirlpool Dryer Filter22SCREW23W10196321 Whirlpool Refrigerator Frame24UNIT, HARNESS25WP2181929 Whirlpool Refrigerator Bracket26WP2323198 Whirlpool Refrigerator Heater27Clamp28W10139462 Whirlpool Refrigerator Compressor29WPW10169124 Whirlpool Refrigerator Grommet30489340 Whirlpool Refrigerator Screw31BAFFLE, AIR32WPW10339879 Whirlpool Wire Tie33UNIT COVER, BOTTOM34489396 Whirlpool Refrigerator Clip35W10196313 Whirlpool Refrigerator Rail Unit