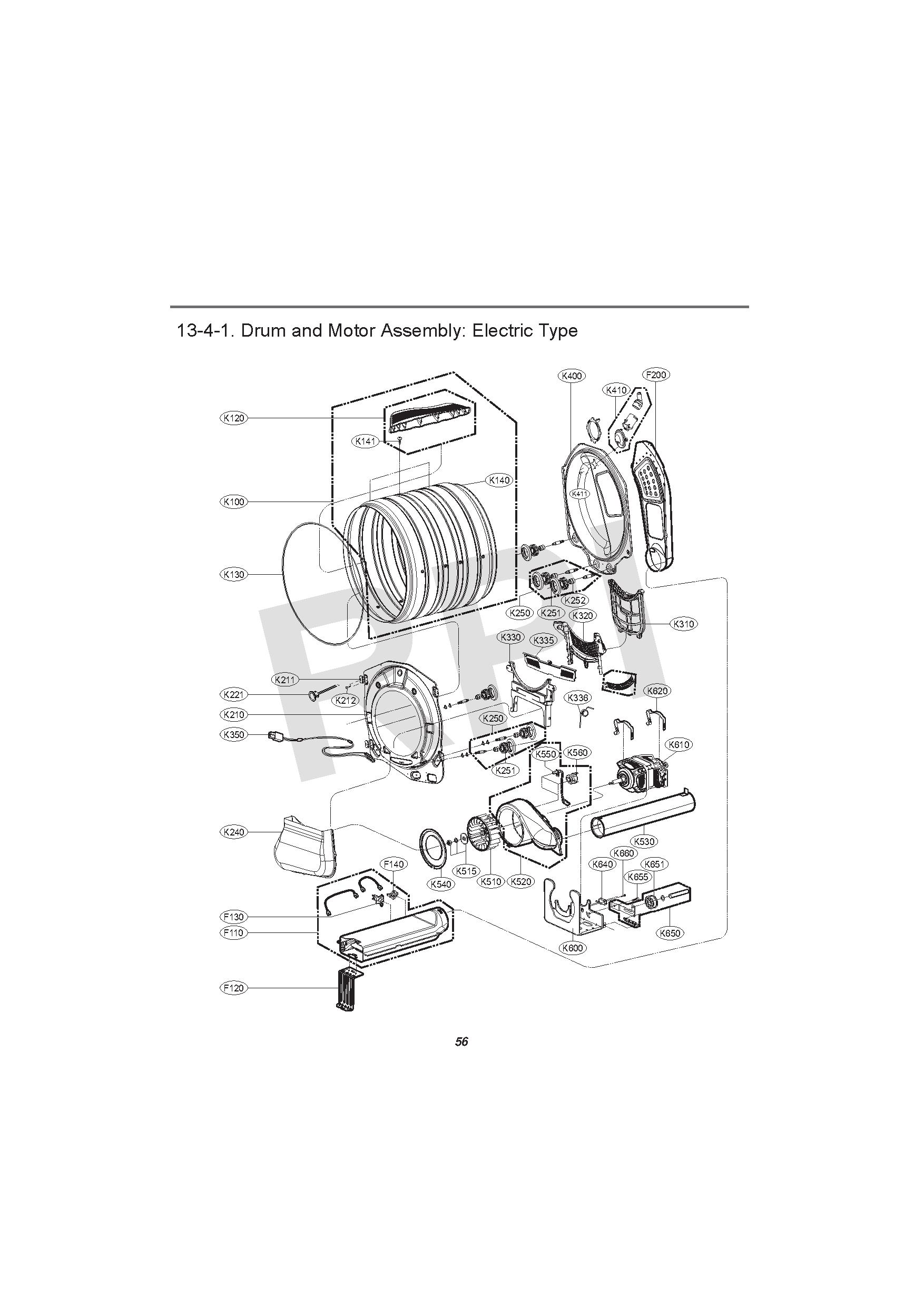
| K610 | 4681EL1008G LG DC Drum Motor Assembly |
| K100 | AJQ73274302 LG Drum Tub Assembly |
| F200 | ADJ73392901 LG Duct Assembly |
| K350 | 6631EL3003F LG Harness Assembly |
| K310 | ADQ73373201 LG Dryer Lint Screen Filter Replacement Assembly |
| K240 | ADJ73372401 LG Duct Assembly |
| K411 | 1SZZEL2001A LG Screw Customized |
| K221 | EAQ61400801 LG LED Lamp |
| F110 | HEATER ASSY |
| K120 | MFE61921001 LG Lifter |
| K130 | BELT-POLY V |
| K140 | 4036EL3001B LG Gasket |
| K530 | 5209EL1006F LG Duct Assembly |
| K400 | MJT62002901 LG Rear Drum Tub Assembly |
| K335 | MCK66826301 LG Filter Cover |
| K330 | MEA62790801 LG Filter Guide |
| K320 | MEA62770801 LG Guide Cover |
| K212 | 1SBF0402418 LG Laptop Screw |
| K211 | 4810EL3008A LG Tub Bracket |
| K210 | MJT62002801 LG Front Tub Drum |
| K520 | MEK37661701 LG Blower Housing |
| K550 | 6323EL2001B LG Dryer Thermistor Assembly |
| F120 | 4810EL1007A LG Heater Bracket |
| K660 | 1TPL0303218 LG Tapping Screw |
| K655 | 1SZZEL3001A LG Customized Screw |
| K651 | 4560EL3001A LG Dryer Idler Pulley Wheel |
| K650 | PULLEY ASSY-MOTOR |
| K640 | EBF61734701 LG Dryer Micro Switch |
| K620 | 4860EL3001A LG Dryer Blower Motor Clamp |
| K600 | MAZ66065301 LG Bracket Motor |
| F130 | 6931EL3003D LG Dryer High-Limit Thermal Fuse Thermostat |
| F140 | THERMOSTAT ASSY |
| K141 | 1FTF0503507 LG Screw Laptite |
| K540 | 4975EL3001A LG Guide Assembly |
| K515 | HOUSING- BLOWER + HARDWARE |
| K510 | 5835EL1002A LG Dryer Blower Fan Assembly |
| K410 | AGB34327803 LG Dryer Steam Nozzle Assembly |
| K336 | 4970EL4002C LG Dryer Distortion Spring |
| K252 | 4W50100F LG Customized |
| K251 | 4581EL3001M LG Roller Assembly |
| K250 | 4581EL2002H LG Dryer Drum Roller Assembly |
| K560 | 6931EL3002M LG Dryer Thermostat |