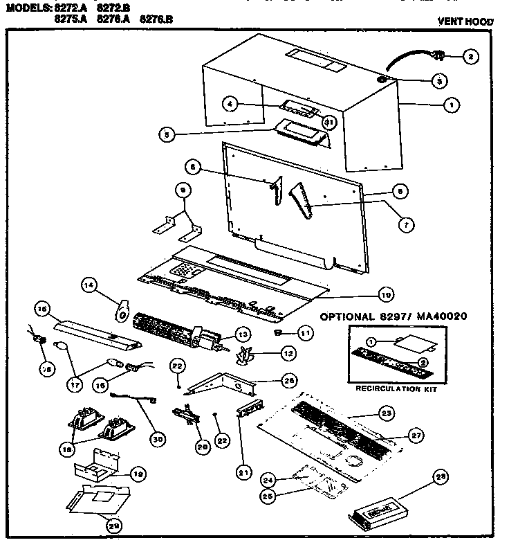
8276.B 02 – VENT HOODadmin2025-04-26T11:04:07+00:008276.B 02 – VENT HOOD ProductsPositionProductNIMAY M13D36NIMAY M94D5411MAY M80D1261MAY M65D3591MAY M80D1242MAY M26D512MAY M48D272MAY M94D5422MAY M94D5622MAY M48D283MAY M2D6474MAY M20D2415MAY M52D2466MAY M80D1257MAY M20D3238MAY M20D3228MAY M1D7379MAY M8D35510MAY M79D10511MAY M2D4012MAY M35D5513MAY M12D11214MAY M20D32115MAY M65D35516MAY M5D39117MAY M9D10718MAY M14D29119MAY M8D35619MAY M8D36220MAY M4D10520MAY M1D47521MAY M5D27721MAY M1D35022MAY M2D50823MAY M82D21723MAY M1D94923MAY M82D21824MAY M51D6925MAY M1D90025MAY M7D88725MAY M7D88426MAY M8D35726MAY M1D60827MAY M48D2528MAY M85D10828MAY M1D91529MAY M8D36129MAY M1D9030MAY M3D8331MAY M20D242