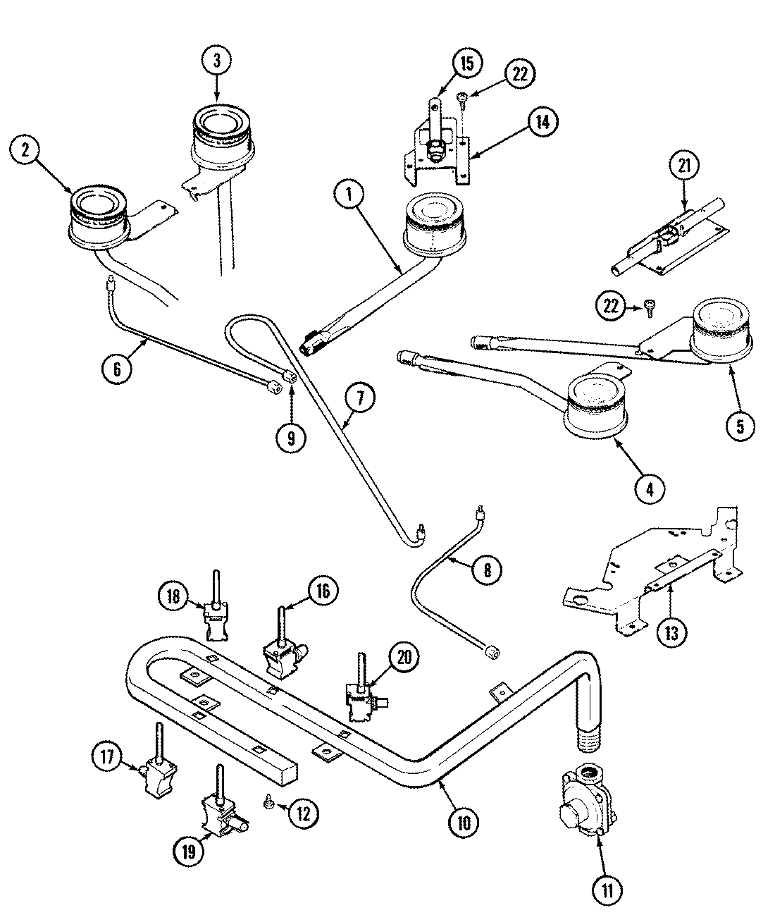
8320TW 02 – GAS CONTROLSadmin2025-04-26T11:05:02+00:008320TW 02 – GAS CONTROLS ProductsPositionProduct1MAY 7505P216-602MAY 7505P218-603MAY 7505P217-604MAY 7505P220-605MAY 7505P219-606MAY 740017358MAY 740017369MAY 1555225K10MAY 7400173711MAY 7510P002-6012MAY 7101P043-6013MAY 3807F321-5113MAY 7400143314MAY 3807F325-3415MAY 7506P017-6015MAY 7109P004-6016MAY 7502P262-6017MAY 7502P258-6019MAY 7502P260-6020MAY 7502P255-6021MAY 7506P003-6022MAY 7118P004-60