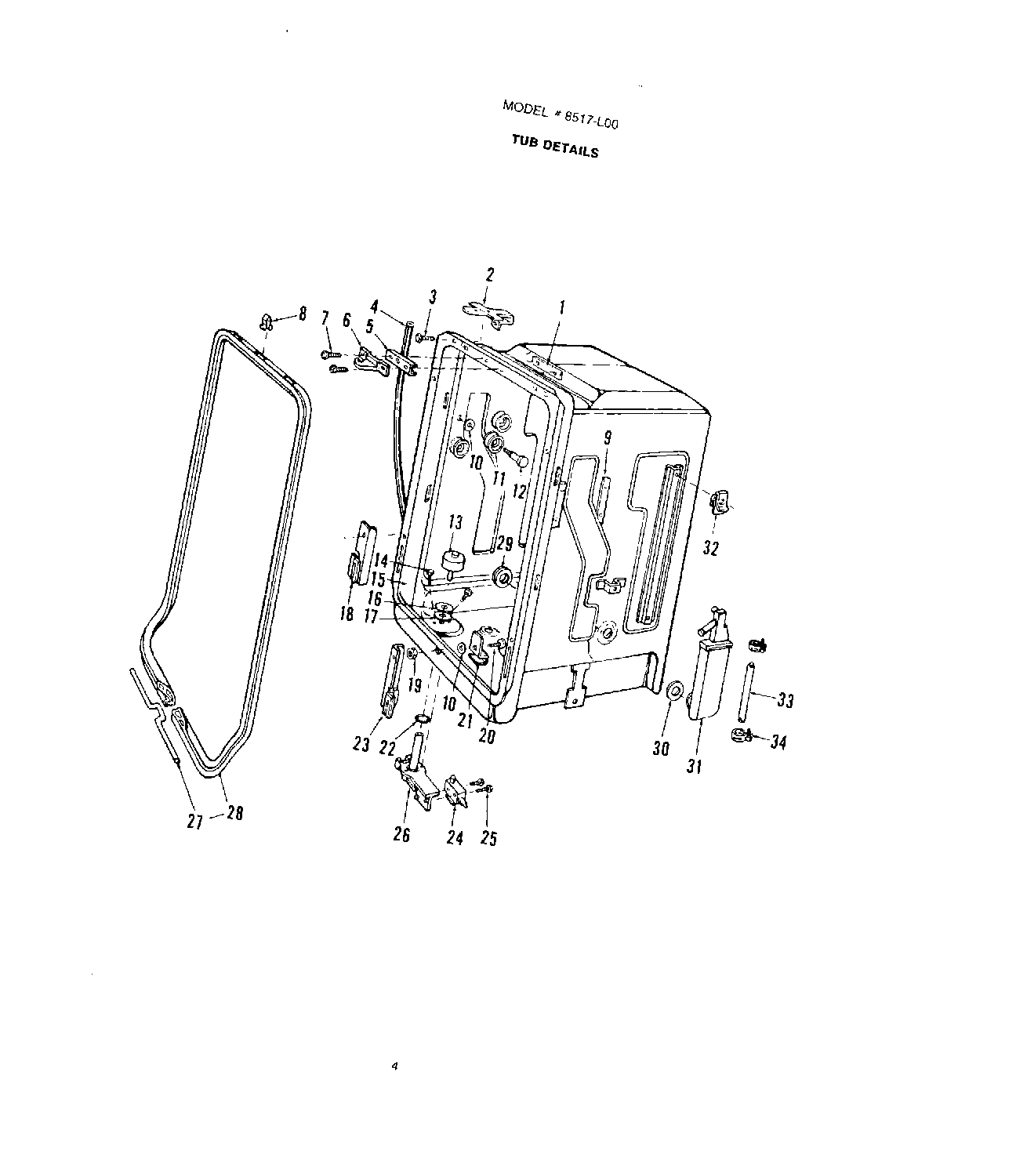
8517L00 04 – TUB