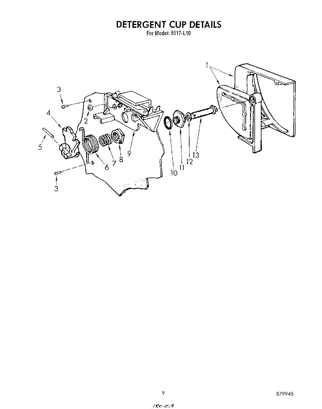
8517L10 07 – DETERGENT CUPadmin2025-04-26T09:49:32+00:008517L10 07 – DETERGENT CUP ProductsPositionProduct1Detergent Cup & Cover2O-Ring3WP98165 Whirlpool Screw4Cam5Spiral Pin6Cam Spring7Cam Compression Spring8Detergent Cup Nut9Bi-Metal Assembly Kit (Includes Key No. 11)10Washer11Bushing12O-Ring13Shaft Kit (Includes Keys 2 4, 5, 7, 8, 10, 11 & 12)