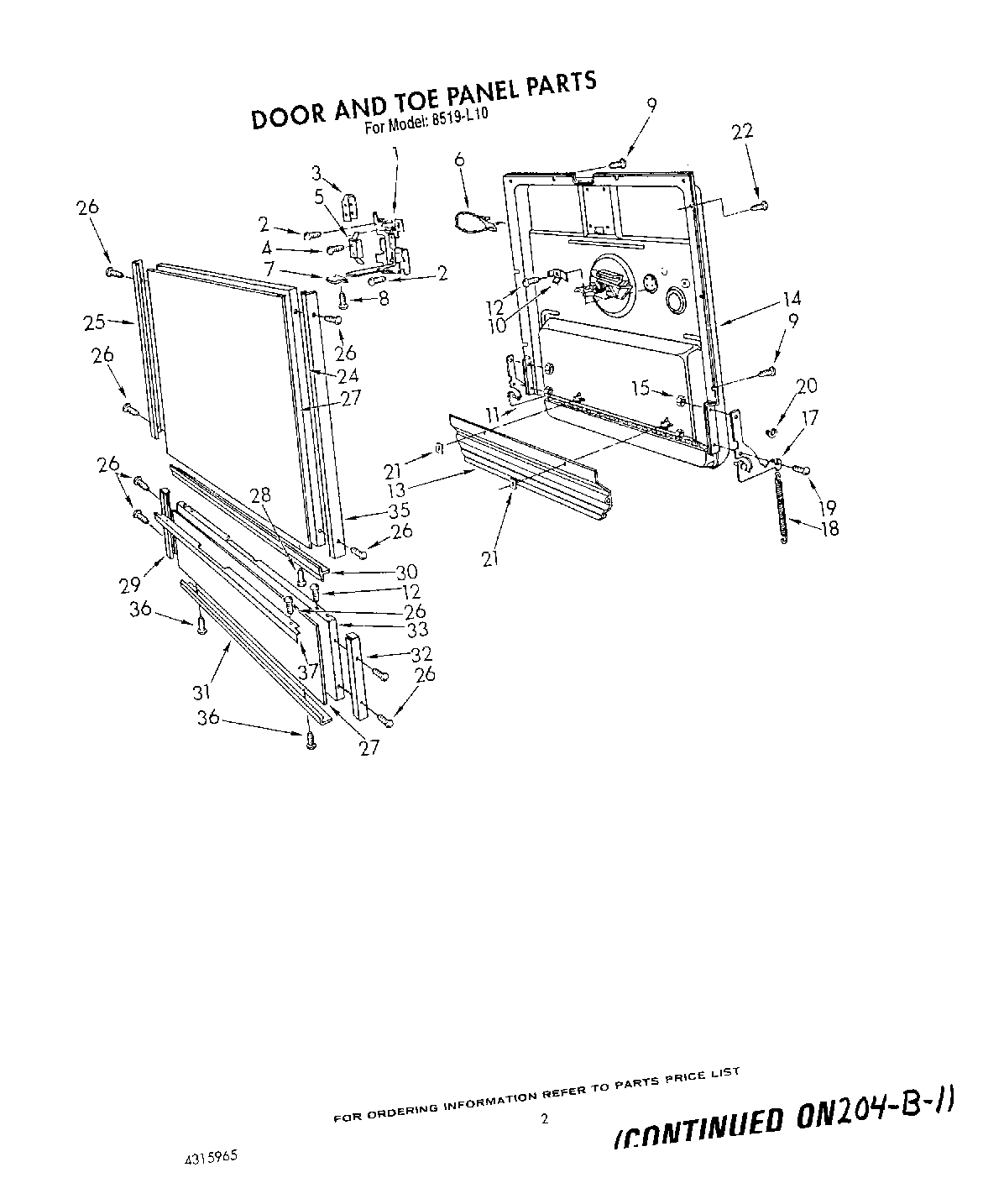
8519L10 02 – DOOR AND TOE PANEL