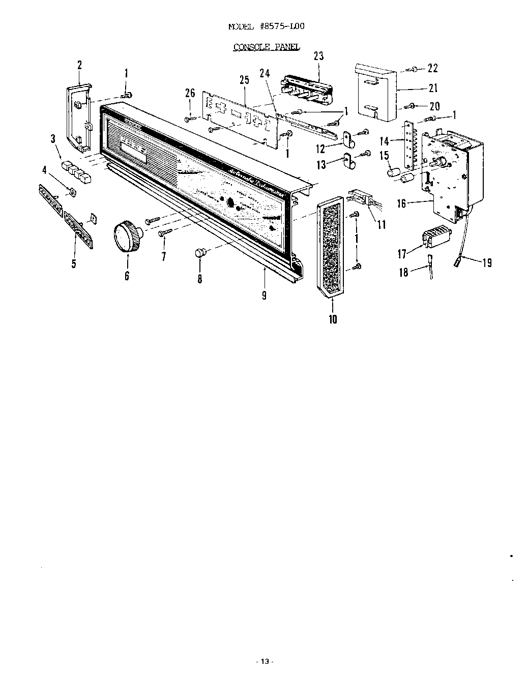
8575L00 09 – CONSOLE