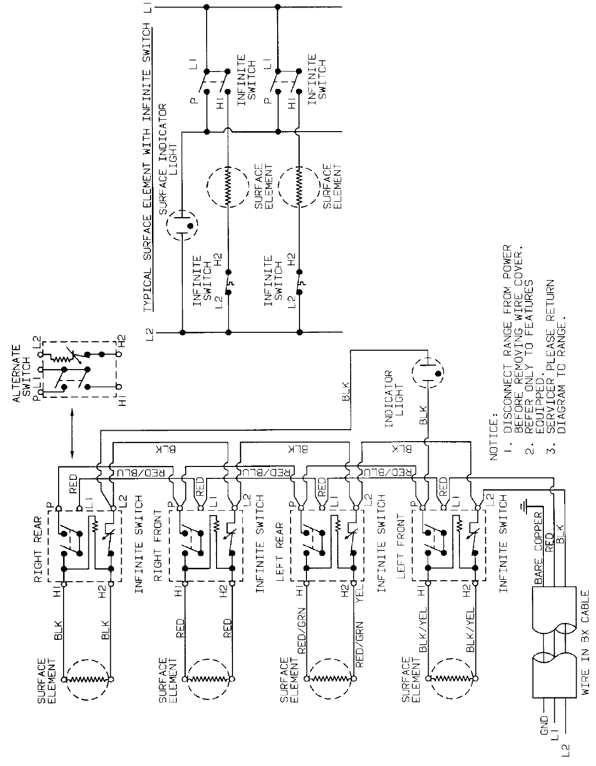
8610PA 02 – WIRING INFORMATIONadmin2025-04-26T09:19:10+00:008610PA 02 – WIRING INFORMATION ProductsPositionProductNIMAY 15001541NIMAY 15001158