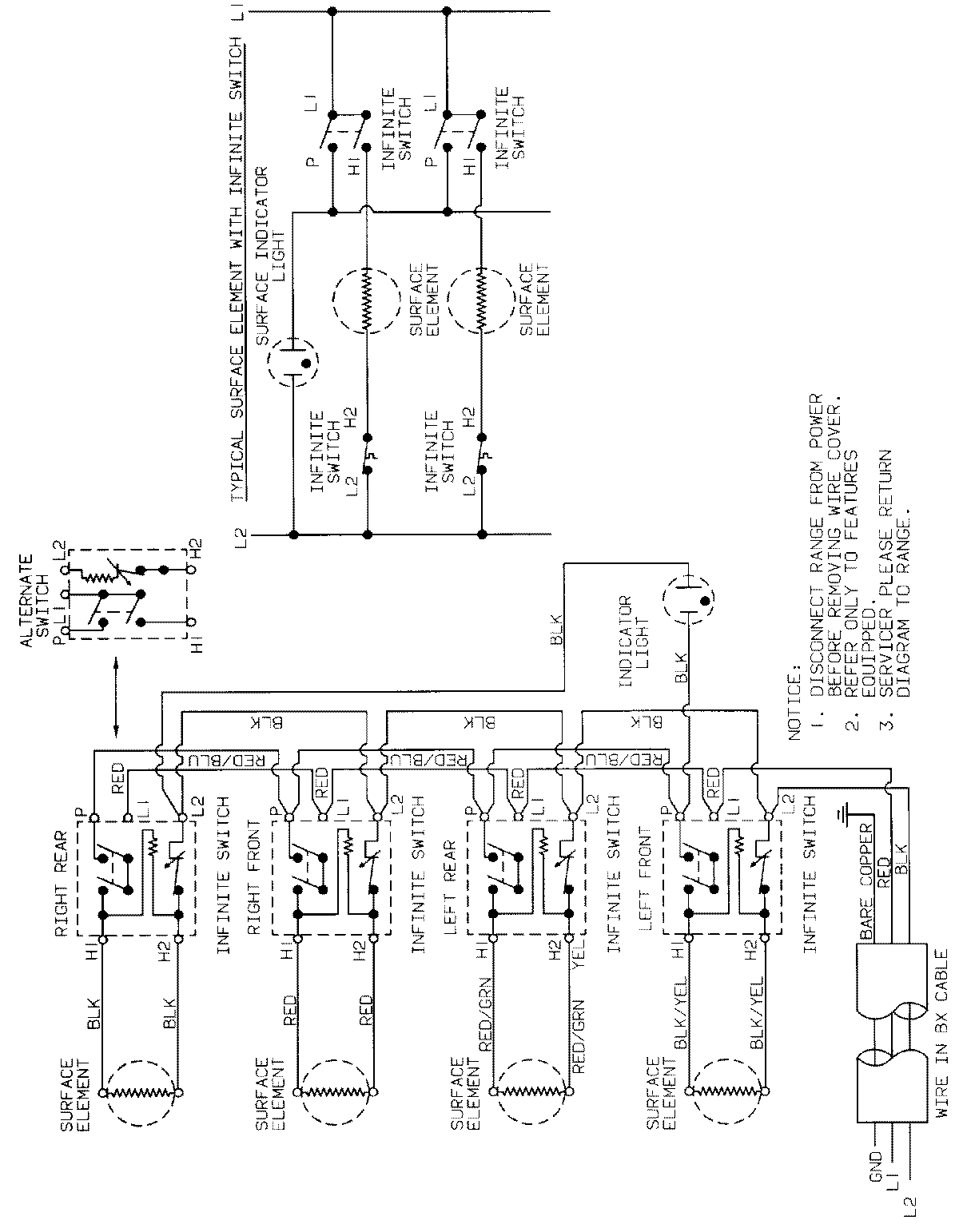
8610PB 02 – WIRING INFORMATIONadmin2025-04-26T09:19:42+00:008610PB 02 – WIRING INFORMATION ProductsPositionProductNIMAY 15001541NIMAY 15001158