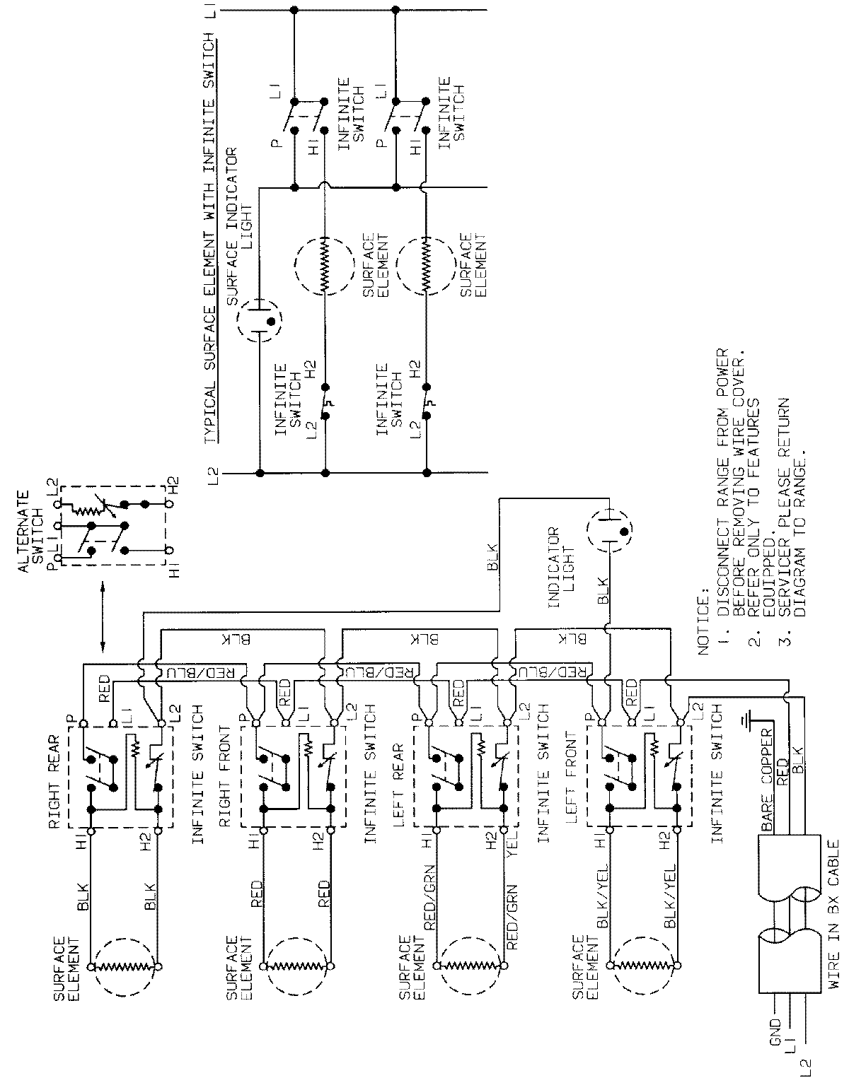
8610PS 02 – WIRING INFORMATIONadmin2025-04-26T09:20:50+00:008610PS 02 – WIRING INFORMATION ProductsPositionProductNIMAY 15001541NIMAY 15001158