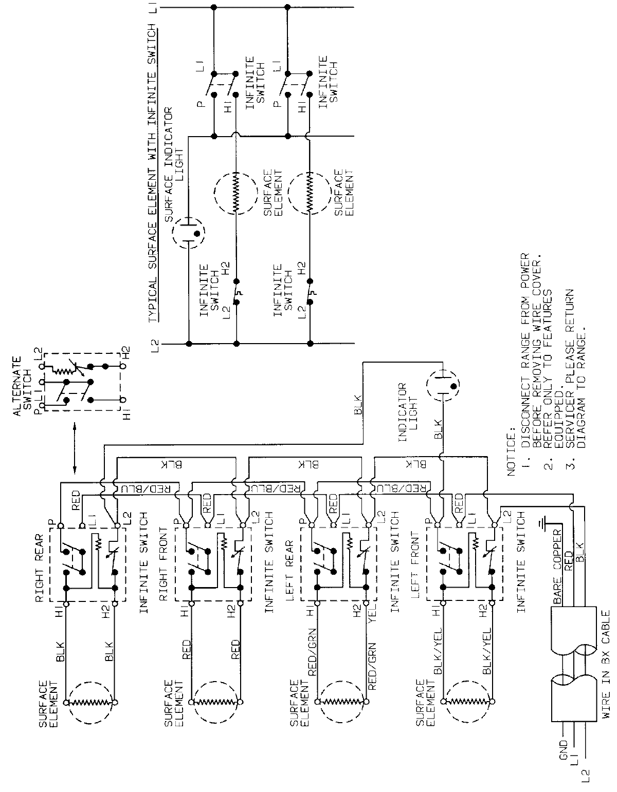
8610PV 02 – WIRING INFORMATIONadmin2025-04-26T09:20:26+00:008610PV 02 – WIRING INFORMATION ProductsPositionProductNIMAY 15001541NIMAY 15001158