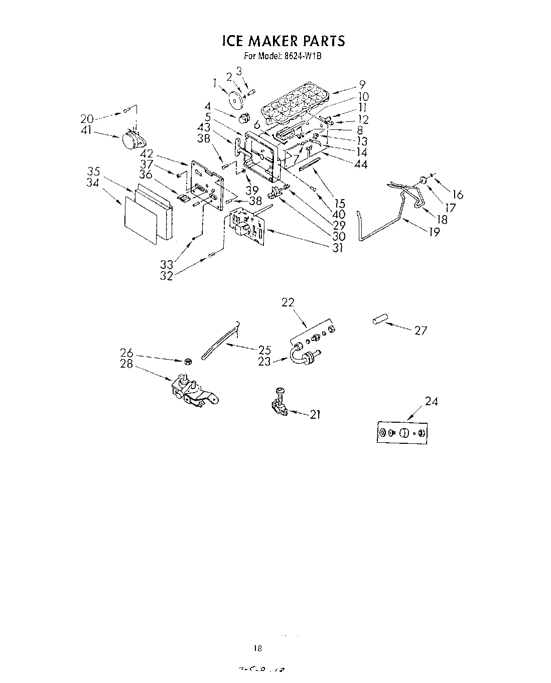
8624^1B 10 – ICE MAKER