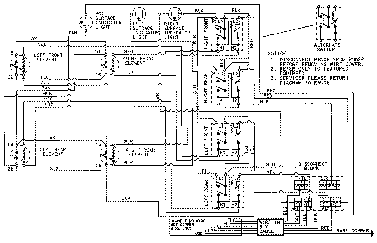
8670RB 02 – WIRING INFORMATIONadmin2025-04-26T09:19:51+00:008670RB 02 – WIRING INFORMATION ProductsPositionProductNIMAY 15001149